Hi,
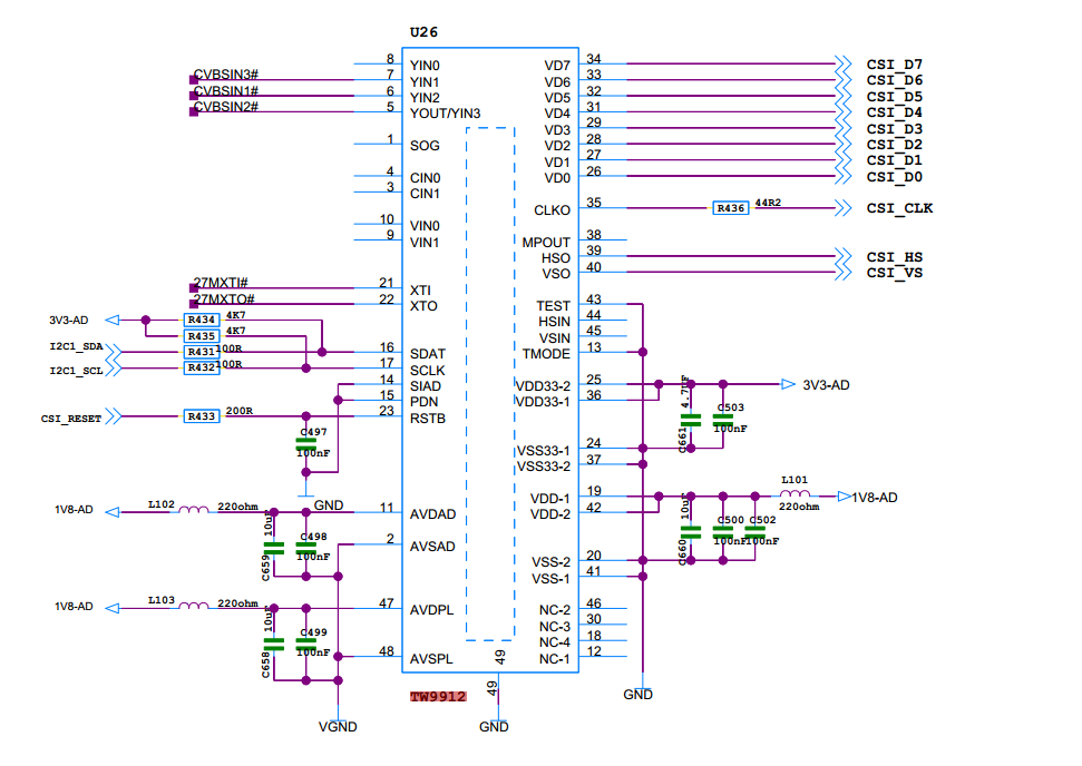
we use tw9912 in imx8qxp with parallel-csi, tw9912(yuv422) reg config is from imx6d which works fine. but camera preview data is not correct. there are not detail parallel-csi reg explantation in reference manual. can you do some help?
tw9912: tw9912@44 {
compatible = "ovti,tw9912";
reg = <0x44>;
pinctrl-names = "default";
pinctrl-0 = <&pinctrl_parallel_csi>;
clocks = <&clk IMX8QXP_PARALLEL_CSI_MISC0_CLK>;
clock-names = "csi_mclk";
/*ldo-gpios = <&gpio3 2 0>;*/
rst-gpios = <&gpio3 3 1>;
csi_id = <0>;
mclk = <24000000>;
mclk_source = <0>;
status = "okay";
port {
tw9912_ep: endpoint {
remote-endpoint = <¶llel_csi_ep>;
};
};
};
&cameradev {
parallel_csi;
status = "okay";
};
¶llel_csi {
#address-cells = <1>;
#size-cells = <0>;
status = "okay";
port@0 {
reg = <0>;
parallel_csi_ep: endpoint {
remote-endpoint = <&tw9912_ep>;
};
};
};
&isi_0 { │
interface = <6 0 2>; /* INPUT: 6-PARALLEL CSI */
parallel_csi;
status = "okay";
};

run log:
[ 147.477963] tw9912 8-0044: tw9912:ioctl_enum_frameintervals
[ 147.484567] tw9912 8-0044: tw9912:ioctl_enum_framesizes
[ 147.490501] tw9912 8-0044: In tw9912:ioctl_s_parm
[ 147.495372] mxc-isi 58100000.isi: mxc_isi_cap_s_fmt_mplane, fmt=0x56595559
[ 147.502600] mxc-isi 58100000.isi: num_planes = 1
[ 147.507433] mxc-isi 58100000.isi: bpl = 0, sizeimage = 0
[ 147.513051] mxc-isi 58100000.isi: sizeimage = 691200
[ 147.518396] tw9912 8-0044: ioctl_g_fmt_cap code=0x2008, w/h=(720,480), colorspace=7, field=1
[ 147.527143] mxc-parallel-csi 58261000.pcsi: width=720, height=480, fmt.code=0x2008
[ 147.542839] bypass csc
[ 147.545284] input fmt RGB4
[ 147.548584] output fmt YUYV
[ 148.278537] mxc-parallel-csi 58261000.pcsi: mxc_pcsi_s_stream: 442, pcsidev: 0x1
[ 148.286705] tw9912 8-0044: ioctl_g_fmt_cap code=0x2008, w/h=(720,480), colorspace=7, field=1
[ 148.295350] mxc-parallel-csi 58261000.pcsi: width=720, height=480, fmt.code=0x2008
[ 148.314522] mxc-parallel-csi 58261000.pcsi: HW_IF_CTRL_REG = 0x00001003
[ 148.321171] mxc-parallel-csi 58261000.pcsi: HW_CSI_CTRL_REG = 0x1ad04805
[ 148.328597] mxc-parallel-csi 58261000.pcsi: HW_CSI_STATUS = 0x00000000
[ 148.335816] mxc-parallel-csi 58261000.pcsi: HW_CSI_CTRL_REG1 = 0x05a002cf
console:/ #
console:/ #
console:/ #
console:/ # dmesg | grep tw9912
[ 4.918491] tw9912 8-0044: tw9912_probe sensor_clk = 0
[ 4.923678] tw9912 8-0044: tw9912_probe:tw9912 probe i2c address is 0x44
[ 4.930901] tw9912 8-0044: tw9912_probe:Analog Device TW9912 detected!
[ 4.937487] mx8-img-md: Registered sensor subdevice: tw9912 8-0044 (1)
[ 4.957514] mx8-img-md: created link [tw9912 8-0044] => [mxc-parallel-csi]
[ 5.004876] tw9912 8-0044: tw9912_probe camera tw9912, is found
[ 13.251612] tw9912 8-0044: tw9912:ioctl_enum_framesizes
[ 13.318726] tw9912 8-0044: tw9912:ioctl_enum_frameintervals
[ 13.376363] tw9912 8-0044: tw9912:ioctl_enum_frameintervals
[ 13.438577] tw9912 8-0044: tw9912:ioctl_enum_framesizes
[ 13.560456] tw9912 8-0044: tw9912:ioctl_enum_framesizes
[ 13.638747] tw9912 8-0044: tw9912:ioctl_enum_frameintervals
[ 13.694569] tw9912 8-0044: tw9912:ioctl_enum_frameintervals
[ 13.814599] tw9912 8-0044: tw9912:ioctl_enum_framesizes
[ 147.477963] tw9912 8-0044: tw9912:ioctl_enum_frameintervals
[ 147.484567] tw9912 8-0044: tw9912:ioctl_enum_framesizes
[ 147.490501] tw9912 8-0044: In tw9912:ioctl_s_parm
[ 147.518396] tw9912 8-0044: ioctl_g_fmt_cap code=0x2008, w/h=(720,480), colorspace=7, field=1
[ 148.286705] tw9912 8-0044: ioctl_g_fmt_cap code=0x2008, w/h=(720,480), colorspace=7, field=1
console:/ #
console:/ #
console:/ #
console:/ #
console:/ #