SPI - Clock & Chip select timing configuration problem

cancel
Showing results for 
Show  only  | Search instead for 
Did you mean: 

SPI - Clock & Chip select timing configuration problem

3,645 Views
Riyasma07
Contributor III

In SPI configurator, when I try to change the timing values for Clk2Cs, Cs2Clk & Cs2Cs from 0.000001 sec to 0.00001 sec, I'm facing an error.

Riyasma07_0-1710737287266.png

But when I hover over the timing fields, it shows the timing can be set in the range of 100ns to 0.0001 sec.

Riyasma07_2-1710737433550.png

 

 

0 Kudos
Reply
10 Replies

3,441 Views
Riyasma07
Contributor III

Hi @VaneB, Seems like it is causing problem with code. I've set the timing as 0.00003 sec and checked, there is no response from the slave.

0 Kudos
Reply

3,413 Views
VaneB
NXP TechSupport
NXP TechSupport

Hi @Riyasma07 

Are you using an external device or is it connected to other SPI modules of the S32K3? Are you using the example code?

0 Kudos
Reply

3,410 Views
Riyasma07
Contributor III

Hi @VaneB ,

Yes, we are using an external device and not using example project. 

0 Kudos
Reply

3,393 Views
VaneB
NXP TechSupport
NXP TechSupport

Hi @Riyasma07 

Could you share an image of the signals coming out from the S32K3?

0 Kudos
Reply

3,368 Views
Riyasma07
Contributor III

Hi @VaneB,

The screenshot of signals from S32K3

Riyasma07_0-1712115553257.pngRiyasma07_1-1712115802580.png

 

0 Kudos
Reply

3,350 Views
VaneB
NXP TechSupport
NXP TechSupport

Hi @Riyasma07 

The signs seem correct, but to make sure the problem is not caused by S32K3, please try testing the SPI example with the settings you require.

0 Kudos
Reply

3,603 Views
VaneB
NXP TechSupport
NXP TechSupport

Hi @Riyasma07 

Sorry for the late response, due to workload my response was delayed.

Which RTD version are you using? Also, please provide your clock configuration.

 

B.R.

VaneB

0 Kudos
Reply

3,599 Views
Riyasma07
Contributor III

Hi @VaneB ,

I'm using RTD Version 3.0.0

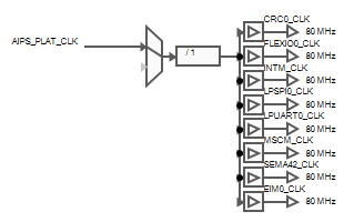
The clock configuration is

Riyasma07_0-1710907587242.png

and I'm using SPI0

Riyasma07_1-1710907616854.png

 

 

0 Kudos
Reply

3,475 Views
VaneB
NXP TechSupport
NXP TechSupport

Hi @Riyasma07 

Sorry for the delay.

I had verified this situation and the cause of the problem looks to be related to S32DS and not for a wrong configuration. The error should not cause any problem with your code. 

0 Kudos
Reply

3,622 Views
Riyasma07
Contributor III

@VaneB  Any updates?

0 Kudos
Reply