i.mx6dl usb device disconnect from computer

cancel
Showing results for 
Show  only  | Search instead for 
Did you mean: 

i.mx6dl usb device disconnect from computer

2,343 Views
zhongweihe
Contributor I

Our new project now customer feedback an issue is that  usb device disconnect from computer sometimes but it can recover connect immediately.

MCU module: MCIMX6U5EVM10AC

Action:

1. USB eye diagram test is OK ,

2. if USB device connected to computer then remove the usb cable , but measured the USB_OTG_VBUS still output 4.4V(all of the products) .could you please help how to shut down the USB_OTG_VBUS?

     

Labels (1)
0 Kudos
Reply
8 Replies

2,256 Views
zhongweihe
Contributor I

VDDUSB_CAP.JPGHi Igor:

       Today I mearsured the VDDUSB_CAP this voltage is 3.28V , but  the specification of i.mx6dl show that this voltage is 3V , and I measured the Demo board is 2.98V . could you please help me to check how can I to regulate it ? 

0 Kudos
Reply

2,256 Views
igorpadykov
NXP Employee
NXP Employee

Zhongwei

suggest to recheck board schematic using IMX6DQ6SDLHDG, Hardware Development Guide for i.MX 6Quad, 6Dual, 6DualLite, 6Solo Families of Applic...

VDDUSB_CAP voltage can be regulated using PMU_REG_3P0n register described in

sect.51.7.2 Regulator 3P0 Register (PMU_REG_3P0n)

i.MX 6Solo/6DualLite Applications Processor Reference Manual

Best regards
igor

0 Kudos
Reply

2,256 Views
zhongweihe
Contributor I

Hi Igor:

    thanks your good support , i will try it .

0 Kudos
Reply

2,256 Views
igorpadykov
NXP Employee
NXP Employee

Hi zhongwei

for usb disconnection problem one can check 24MHz clock stability

and try to use short quality shielded usb cable.

For "shut down the USB_OTG_VBUS" one can check USB_ID signal of

i.MX6 board, when removing the usb cable signal should be high or floating state.

Best regards
igor
-----------------------------------------------------------------------------------------------------------------------
Note: If this post answers your question, please click the Correct Answer button. Thank you!
-----------------------------------------------------------------------------------------------------------------------

0 Kudos
Reply

2,256 Views
zhongweihe
Contributor I

Hi Igorpadykov:

   Thanks your quick respond .

1. Check 24MHz clock stability----OK , I will check with the crystal manufactor about it .

2. use short usb cable ------our end user's USB cable is about 3m length , but the usb eye diagram test is oK . so the hardware part is good  I think .

3. USB_ID signal----how to check the USB_ID signal i can not find this signal . I measured the NXP demo board , if remove the usb cable from computor , the USB_OTG_VBUS is 0V but our is 4.4V .(the demo board MCU model is the same as our product)

0 Kudos
Reply

2,256 Views
igorpadykov
NXP Employee
NXP Employee

Hi zhongwei

suggest to change custom board design according to i.MX6Q Sabre SD schematic.

USB_OTG_VBUS can be found on p.11 i.MX6Q Sabre SD schematic:

Design files, including hardware schematics, Gerbers, and OrCAD files for i.MX 6Quad (i.MX 6Dual emu...

Best regards
igor

0 Kudos
Reply

2,256 Views
zhongweihe
Contributor I

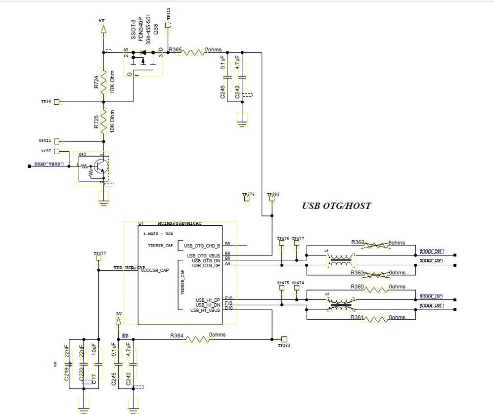
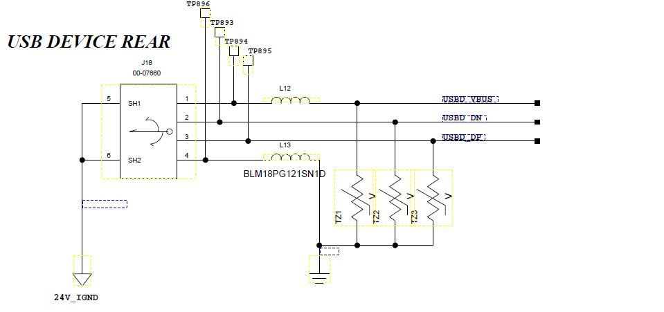
USB.JPGUSB device.JPG

Hi igorpadykov,

    Thanks your good support , up is our project about USB signal part .

1. Our USB not with OTG function ,

2. Signal USB_OTG_DN/USB_OTG_DP connect to USB type B connector directly as a device . 

3. First time power up ; 1.  if not connect USB cable to computer , the USB_OTG_VBUS =0V .

                                         2. if connect USB cable to computer ,the USB_OTG_VBUS =5V , then if remove the

                                             USB cable from computer ,the USB_OTG_VBUS=4.4V( Generallly , if remove the USB

                                             USB cable from computer , the USB_OTG_VBUS should be 0V) so please help to check

                                            why the USB_OTG_VBUS still output 4.4V if remove the USB cable from computer ?

   

0 Kudos
Reply

2,256 Views
igorpadykov
NXP Employee
NXP Employee

Hi zhongwei

had custom board design followed i.MX6Q Sabre SD schematic.

If not, suggest to proceed with help of Commercial Support and Engineering Services | NXP 

Best regards
igor

0 Kudos
Reply