IMX8MN RMII interface bringup

キャンセル
次の結果を表示 
表示  限定  | 次の代わりに検索 
もしかして: 

IMX8MN RMII interface bringup

ソリューションへジャンプ
4,742件の閲覧回数
love1ymano
Contributor II

Hi,
In our custom board based on IMX8MN, we are facing issue in RMII Ethernet interface.

Below is the device tree configuration. 

pinctrl_fec1: fec1grp {
fsl,pins = <
MX8MN_IOMUXC_ENET_MDC_ENET1_MDC 0x3
MX8MN_IOMUXC_ENET_MDIO_ENET1_MDIO 0x23
MX8MN_IOMUXC_ENET_TXC_ENET1_RGMII_TXC 0x4000001f
MX8MN_IOMUXC_ENET_TD1_ENET1_RGMII_TD1 0x56
MX8MN_IOMUXC_ENET_TD0_ENET1_RGMII_TD0 0x56
MX8MN_IOMUXC_ENET_RD1_ENET1_RGMII_RD1 0x56
MX8MN_IOMUXC_ENET_RD0_ENET1_RGMII_RD0 0x56
MX8MN_IOMUXC_ENET_RXC_ENET1_RX_ER 0x56
MX8MN_IOMUXC_ENET_RX_CTL_ENET1_RGMII_RX_CTL 0x56
MX8MN_IOMUXC_ENET_TX_CTL_ENET1_RGMII_TX_CTL 0x56
MX8MN_IOMUXC_ENET_RD2_GPIO1_IO28 0x19             /* Interrupt */
MX8MN_IOMUXC_GPIO1_IO00_GPIO1_IO0 0x116           /* Reset */
>;
};

 

&fec1 {
pinctrl-names = "default";
pinctrl-0 = <&pinctrl_fec1>;
phy-mode = "rmii";
phy-handle = <&ethphy0>;
phy-reset-gpios = <&gpio1 0 GPIO_ACTIVE_LOW>;
fsl,magic-packet;
status = "okay";

mdio {
#address-cells = <1>;
#size-cells = <0>;

ethphy0: ethernet-phy@0 {
compatible = "ethernet-phy-ieee802.3-c22";
reg = <0>;
interrupt-parent = <&gpio1>;
interrupts = <28 IRQ_TYPE_EDGE_FALLING>;
};
};
};

After booting, we are able to see Ethernet driver log

[ 6.069688] Micrel KSZ8081 or KSZ8091 30be0000.ethernet-1:00: attached PHY driver [Micrel KSZ8081 or KSZ8091] (mii_bus:phy_addr=30be0000.ethernet-1:00, irq=77)

But when we connect Ethernet cable to the board, the link is not getting detected. I found one reference dts imx8mq-ddr3l-val.dts, where a RMII interface has been configured. 

pinctrl_fec1: fec1grp {
fsl,pins = <
MX8MQ_IOMUXC_ENET_MDC_ENET1_MDC 0x3
MX8MQ_IOMUXC_ENET_MDIO_ENET1_MDIO 0x23
MX8MQ_IOMUXC_ENET_TD2_ENET1_TX_CLK 0x4000001f
MX8MQ_IOMUXC_ENET_TD1_ENET1_RGMII_TD1 0x56
MX8MQ_IOMUXC_ENET_TD0_ENET1_RGMII_TD0 0x56
MX8MQ_IOMUXC_ENET_RD1_ENET1_RGMII_RD1 0x56
MX8MQ_IOMUXC_ENET_RD0_ENET1_RGMII_RD0 0x56
MX8MQ_IOMUXC_ENET_RXC_ENET1_RX_ER 0x56
MX8MQ_IOMUXC_ENET_RX_CTL_ENET1_RGMII_RX_CTL 0x56
MX8MQ_IOMUXC_ENET_TX_CTL_ENET1_RGMII_TX_CTL 0x56
>;
};

In the above pin mux configuration it uses MX8MQ_IOMUXC_ENET_TD2_ENET1_TX_CLK, but we are using MX8MN_IOMUXC_ENET_TXC_ENET1_RGMII_TXC.  

Whether ENET1_TX_CLK and ENET1_RGMII_TXC are same..?
 Will it cause a problem in link detection
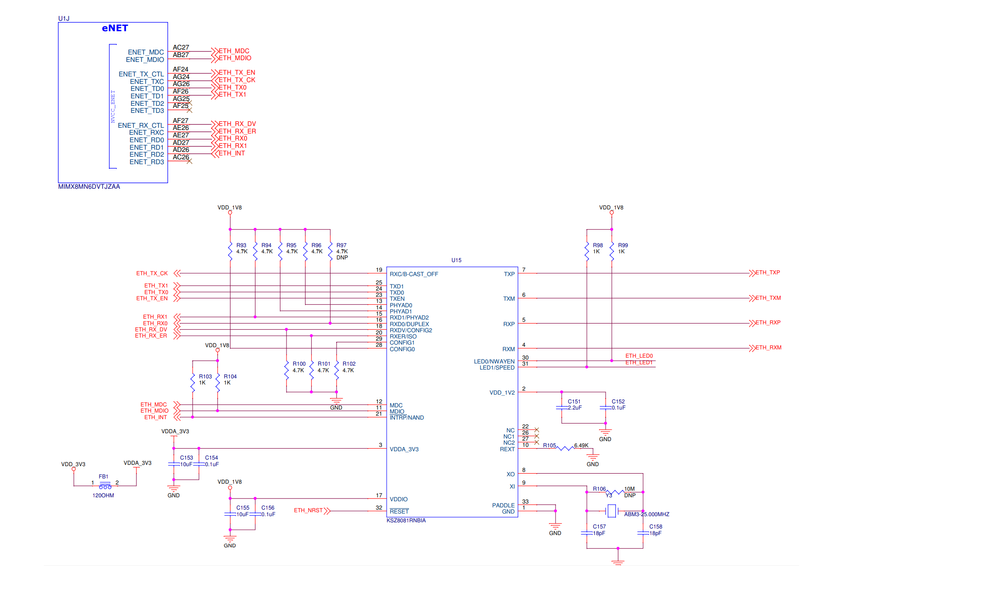
Below is our custom board RMII ethernet connection schematic. 
Ethernet RMII schematicEthernet RMII schematic

 

 

0 件の賞賛
返信
1 解決策
4,734件の閲覧回数
igorpadykov
NXP Employee
NXP Employee

Hi love1ymano

 

rmii clocks are described in Table 11-78. ENET External Signals

i.MX 8M Nano Applications Processor Reference Manual

ENET1_TX_CLK - Used as RMII clock - pad ENET_TD2 (ALT1)

sect.8.2.5.22 Pad Mux Register (IOMUXC_SW_MUX_CTL_PAD_ENET_TD2)

 

Best regards
igor

元の投稿で解決策を見る

0 件の賞賛
返信
2 返答(返信)
4,441件の閲覧回数
dipak290485
Contributor I

Problem was resolved at your end ?

0 件の賞賛
返信
4,735件の閲覧回数
igorpadykov
NXP Employee
NXP Employee

Hi love1ymano

 

rmii clocks are described in Table 11-78. ENET External Signals

i.MX 8M Nano Applications Processor Reference Manual

ENET1_TX_CLK - Used as RMII clock - pad ENET_TD2 (ALT1)

sect.8.2.5.22 Pad Mux Register (IOMUXC_SW_MUX_CTL_PAD_ENET_TD2)

 

Best regards
igor

0 件の賞賛
返信