S32K311: Access DTCM Memory with DMA

取消
显示结果 
显示  仅  | 搜索替代 
您的意思是: 

S32K311: Access DTCM Memory with DMA

1,211 次查看
Siva5
Contributor I

Hello Team,

I'm working on the S32k311 controller. As I'm running out of memory, decided to use TCM as system ram.I'm trying to read ADC values with DMA.

As DTCM0 is already configured in the linker and start up files. I'm trying to read with DMA with direct access(no backdoor). The data is not getting updated into the buffers, which are present in DTCM.

Any additional settings/configurations needed to provide control to DMA for accessing DTCM0. 

Can you provide any examples to access data via DMA and storing in the DTCM.

Thank you!  Regards, Siva

0 项奖励
回复
1 回复

1,173 次查看
danielmartynek
NXP TechSupport
NXP TechSupport

Hello Siva,

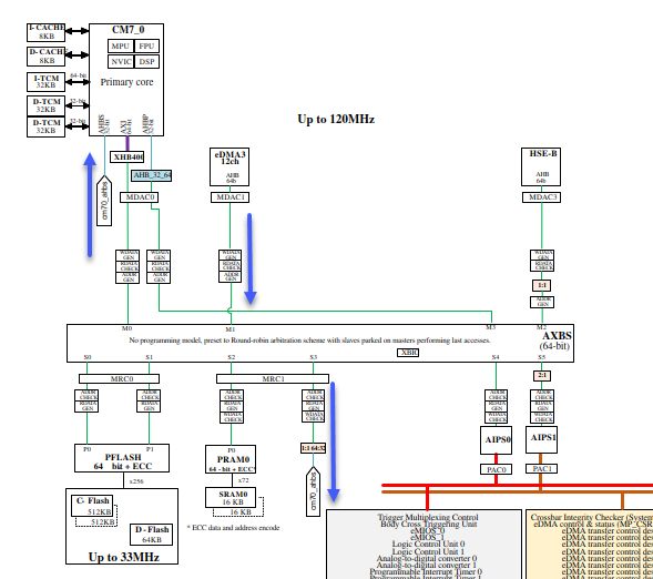
The eDMA cannot access the DTCM directly but through the backdoor.

Refer to AN13388: S32K3 Memories Guide

danielmartynek_0-1712662342418.png

 

RM, Figure 5. Block diagram – S32K311 and S32K310

danielmartynek_1-1712662561096.png

 

 

Regards,

Daniel

0 项奖励
回复