Hi Ray,
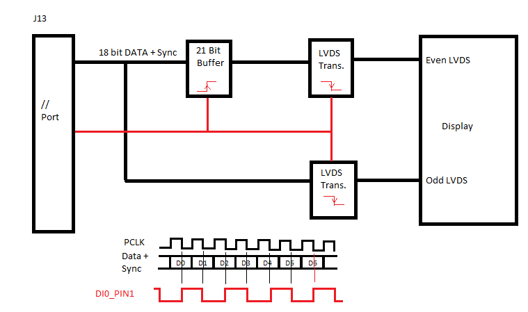
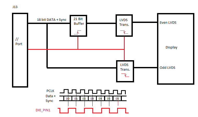
it's right. I want to connect on Dual LVDS RAM less lcd display with 1600*1400 resolution @ ~60Hz with MX53QSB. I can't use the LDB module of the board since only one LVDS channel is available. So I have to make an adapter board between the Parallel port (J13 on QSB Samtec connector) and the dual LVDS LCD interfaces.

So that is how it should work.
The QSB use DI0_PIN2 as HSYNC, DI0_PIN3 as VSYNC and DI0_PIN15 as DataReady. DI0_PIN1 is available as alternate mode on the J13 pin DISP0_SER_SCLK (this one should be my DDR clock). The DI0_PIN1 Waveform should always be rising for Even Pixels and falling for Odd Pixels.
What i found in the IPUv3 driver is that the PIN1 generate an internal vsync for anti tearing purpose (i think)... i could move it to an other wave (6 for example) but i don't know how and where is this signal used...
For the second part, i saw in the iMX53 Reference Manual (rev2) that the DI0 Clock can be set from 20 to 170MHz (page 555). And i found a register IPU_PM (Power Modes Control Register page 2962). A could set the period to 170Mhz/1.125 = 151.11MHz :). I have to try.
Next question...
I'm actualy using the linaro ubuntu kernel BSP.. But i finally want to use Android ICS. are the IPU drivers the same ?? is it the same kernel architectur?
Thank
Simon