cannot program flash with pull-high auto probe

cancel
Showing results for 
Show  only  | Search instead for 
Did you mean: 

cannot program flash with pull-high auto probe

Jump to solution
4,123 Views
MCW
Contributor III

Hi all,

 

This is the further problem from this question .

 

I have a problem about porgamming the code by SEGGER J-flash to the customize board which has auto probe. 

Firstly, the code was programmed into the flash by flash programmer, and the boot_cfg[0](auto probe) was pull-high.

As expected, the code run correctly after boot.

However, I cannot use SEGGER J-flash to program the flash when boot_cfg[0](auto probe) was pull-high. From the information of SEGGER J-flash utility, the target was connected, but it couldn't download file. Next step, we made boot_cfg[0](auto probe) pull-down. And then we can program the code successfully and the code run.

 

The other experiment was programming the code by daplink to the customize board which had auto probe. It was also successful to program the code to the flash.

 

Therefore, I am curious the reason why I cannot use SEGGER J-flash to program my code when boot_cfg[0](auto probe) is high?

Thank you.

 

Best regards,

Doris

Labels (1)
0 Kudos
Reply
1 Solution
3,852 Views
kerryzhou
NXP TechSupport
NXP TechSupport

Hi @MCW ,

  I have finished the MIMXR1060-EVK with MXIC 25L12833F, the JFlash downloading also works.

  I attach my image and picture, I just use the JLINK driver default flashloader.

 My test segger driveris V7,88d.

kerryzhou_0-1698825420469.png

 

You also can test it on your side, and compare with your customer board.

Best Regards,

Kerry

 

View solution in original post

9 Replies
3,825 Views
kerryzhou
NXP TechSupport
NXP TechSupport

Hi @MCW ,

   You mark the correct answer, so, what's your side result?

 

Best Regards,

Kerry

0 Kudos
Reply
3,853 Views
kerryzhou
NXP TechSupport
NXP TechSupport

Hi @MCW ,

  I have finished the MIMXR1060-EVK with MXIC 25L12833F, the JFlash downloading also works.

  I attach my image and picture, I just use the JLINK driver default flashloader.

 My test segger driveris V7,88d.

kerryzhou_0-1698825420469.png

 

You also can test it on your side, and compare with your customer board.

Best Regards,

Kerry

 

4,104 Views
kerryzhou
NXP TechSupport
NXP TechSupport

Hi @MCW ,

  Thanks a lot for your cooperation for the new question post.

  Now, please let me know your used platform and chip at first.

   Normally, the auto probe should not influence the flashing.

  I think you need to check these points:

1. Do you connect the auto probe to the JLINK JTAG interface or not?

2. Which board you are using, NXP EVK? 

3. Which external flash you are using?

4. Can you reproduce the issues with the NXP EVK board? Segger JLINK or the on board JLINK firmware?  

If it is the customer board, please also share your JTAG interface connection situation.

5. Which JLINK firmware you are using? JLINK driver default flashloader?

Please help to confirm the above questions, then I can help you do the detail checking.

It's better to reproduce the issues on the NXP EVK board, if not, it may related to your custom board.

Best Regards,

Kerry

 

0 Kudos
Reply
4,072 Views
MCW
Contributor III

Hi @kerryzhou ,

 

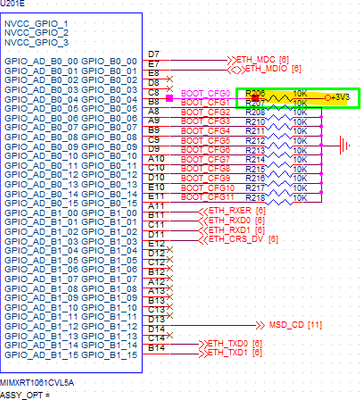
1. Do you connect the auto probe to the JLINK JTAG interface or not?

Ans: No. Directly to 3.3V.  Only BOOT_CFG4, BOOT_CFG7, BOOT_CFG6, BOOT_CFG10 and BOOT_CFG11 will be set to GPIO pin use after boot.

MCW_0-1697595416417.png

2. Which board you are using, NXP EVK? 

Ans: custom board

3. Which external flash you are using?

Ans: MX25L12833F

4. Can you reproduce the issues with the NXP EVK board? Segger JLINK or the on board JLINK firmware?  

If it is the customer board, please also share your JTAG interface connection situation.

Ans: We use Segger JLINK.

MCW_1-1697523817505.png

MCW_4-1697523994607.png

 

We haven't put the MX25L12833F on the NXP EVK and program the code by SEGGER J-Flash.

If we do this experiment, I will share our result here.

Thank you.

 

Best regards,

Doris

0 Kudos
Reply
4,063 Views
kerryzhou
NXP TechSupport
NXP TechSupport

Hi @MCW ,

  Please help to check, whether your FlexSPI DQS pin is float or not? If your DQS is used in the custom board, then your FlexSPI frequency will limit to 60Mhz, this is also important.

 BTW, please also help to check, whether you also can reproduce the issues on the NXP EVK board or not?

 If you can reproduce the issues with NXP EVK board, please let me know, then I will help to check the details.

Best Regards,

kerry

0 Kudos
Reply
4,014 Views
MCW
Contributor III

Hi @kerryzhou ,

 

Thanks for your advice.

I checked the schematic of my custom board again.

The DQS pin is floating.

MCW_0-1698039586394.png

And I have a few questions about NXP EVK board experiment needed to comfim with you because the SEGGER J-flash utility shows the chip is not connected now.

1. I just need to connect SWD_IO, SWD_CLK, GND signal between the EVK board and J-Link SWD right?

MCW_1-1698039955121.png

2. Could I supply the power by USB 2.0 Micro-AB connector when the EVK board is connected to JTAG? Or should the power of the EVK board be supplied by external DC power jack?

 

Best regards,

Doris

0 Kudos
Reply
4,006 Views
kerryzhou
NXP TechSupport
NXP TechSupport

Hi @MCW ,

   Thanks for your information.

  To the JTAG pin, pin 1 3.3V is must, otherwise, your JTAG/SWD can't work, you can check this log:

kerryzhou_0-1698048613338.jpeg

The VTref is used for the JTAG to detect the voltage.

 

Wish it helps you!

Best Regards,

Kerry

 

0 Kudos
Reply
3,959 Views
MCW
Contributor III

Hi @kerryzhou ,

 

I will do this experiment as soon as possible.

However, I have a more critical issue about my custom board with BOOT_CFG[0] pull-high.

My board is not work with 30% of probability when I turn on and off it for ten times.

Could it related to the power squence between imxrt1061 and MX25L12833F?

 

Best regards,

Doris

0 Kudos
Reply
3,952 Views
kerryzhou
NXP TechSupport
NXP TechSupport

Hi @MCW ,

  A little strange to the customer board.

Please use the NXP EVK board test it, whether still have 30% power on issues or not?

Any updated information, let me know immediately, thanks.

 

best regards,

Kerry

0 Kudos
Reply