Hi fellow engineers,
we are developing a board with RT1050 that uses the RNA physical chip instead than RNB version as in the EVKB.
So far we have had no success in making our board work. I hope someone has experience with this.
This is the scenario.
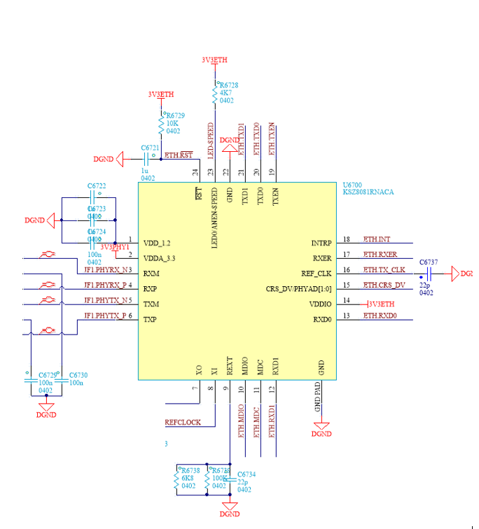
1) we modified the connections between the PHY and the MCU as shown in the image.
2) we are using the lwip_ping demo firmware that comes in MCUXpresso
3) the only change we did is setting BOARD_ENET0_PHY_ADDRESS to zero instead than 2. By doing so, the PHY recognizes a connection and negotiates a 100 Mbps link. The MCU correctly reads the status of the PHY.
We get traffic on the RX[0..1] lines, but TX_EN is low, and there is no traffic on TX[0..1].

We connected ETH.RST and ETH.INT to GPIOs. When the board starts, there is a cycle reset.
REFCLOCK gets a 25 MHz from the MCU (pin B13 configured as REF_CLK)
CRS_DV is connected to pin G2, configured as RX_EN like in the EVK board.
Any hints?
:-)