1062 debug and run out of flash

cancel
Showing results for 
Show  only  | Search instead for 
Did you mean: 

1062 debug and run out of flash

1,884 Views
anthonygarza
Contributor I

I am opening a new ticket as I have not received anymore replies on my old one. Is it possible to talk to an FE on how to make this work. W25Q64JV flash on a 1062. The programmer programs the flash just fine using the flash loader provided by NXP. Why doesn't the chip just jump to flash and take off?

The last post said compare the timings between the two chips. But Where do I change these timings even if I found a timing difference. Why does it work just fine with the programmer if their is a timing problem? 

0 Kudos
Reply
3 Replies

1,869 Views
jeremyzhou
NXP Employee
NXP Employee

Hi,
Thank you for your interest in NXP Semiconductor products and for the opportunity to serve you.
I was wondering if you can share the link to your previous post, furthermore, I was wondering if you can describe the testing environment, such as schematic, issue arising ratio, testing process, etc.
Have a great day,
TIC

-------------------------------------------------------------------------------
Note:
- If this post answers your question, please click the "Mark Correct" button. Thank you!

 

- We are following threads for 7 weeks after the last post, later replies are ignored
Please open a new thread and refer to the closed one, if you have a related question at a later point in time.
-------------------------------------------------------------------------------

0 Kudos
Reply

1,862 Views
anthonygarza
Contributor I

https://community.nxp.com/t5/i-MX-RT/RT1062-Debug-out-of-flash/m-p/1401168#M18029

 

It should be known, that If I use ozone and tell it to debug out of flash, It will properly set the PC to the right place and run until an interrupt happens. It is like the boot rom will not choose flash for anything. 

 

 

Things we have tried.

we adjusted the aforementioned structure as following.

 

anthonygarza_0-1644236267634.png

 

Winbond

#if defined(XIP_BOOT_HEADER_ENABLE) && (XIP_BOOT_HEADER_ENABLE == 1)
#if defined(__CC_ARM) || defined(__ARMCC_VERSION) || defined(__GNUC__)
__attribute__((section(".boot_hdr.conf"), used))
#elif defined(__ICCARM__)
#pragma location = ".boot_hdr.conf"
#endif

 

const flexspi_nor_config_t qspiflash_config = {
.memConfig =
{
.tag = FLEXSPI_CFG_BLK_TAG,
.version = FLEXSPI_CFG_BLK_VERSION,
.readSampleClksrc=kFlexSPIReadSampleClk_LoopbackFromDqsPad,
.csHoldTime = 3u,
.csSetupTime = 3u,
.sflashPadType = kSerialFlash_4Pads,
.serialClkFreq = kFlexSpiSerialClk_100MHz,
.sflashA1Size = 8u * 1024u * 1024u,
.lookupTable =
{
// Read LUTs
//fast read quad for Winbond, is the Quad Enable bit set at this point?
FLEXSPI_LUT_SEQ(CMD_SDR, FLEXSPI_1PAD, 0xEB, RADDR_SDR, FLEXSPI_4PAD, 0x18),
FLEXSPI_LUT_SEQ(DUMMY_SDR, FLEXSPI_4PAD, 0x04, READ_SDR, FLEXSPI_4PAD, 0x04),//corrected to 4 dummy clocks per datasheet
},
},
.pageSize = 256u,
.sectorSize = 4u * 1024u,
.blockSize = 64u * 1024u,
.isUniformBlockSize = false,
};
#endif /* XIP_BOOT_HEADER_ENABLE */

 

 

0 Kudos
Reply

1,853 Views
jeremyzhou
NXP Employee
NXP Employee

Hi,
Thanks for your reply.
According to your statement, it seems like you can't debug the code in the W25Q64 on your customized board, isn't my understanding right?
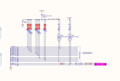
I'd like to know whether the FlexSPI interface is the same between the MIMXRT1060-EVK and the customize board, furthermore, I'll appreciate it if you can upload the schematic of the customize board.
Have a great day,
TIC

-------------------------------------------------------------------------------
Note:
- If this post answers your question, please click the "Mark Correct" button. Thank you!

 

- We are following threads for 7 weeks after the last post, later replies are ignored
Please open a new thread and refer to the closed one, if you have a related question at a later point in time.
-------------------------------------------------------------------------------

0 Kudos
Reply