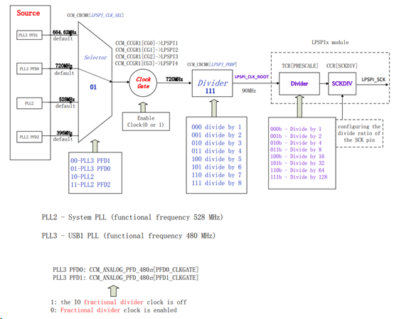
The document will introduce how to configure LPSPI clock on I.MXRT1050. The purpose is to help IMXRT customers better understand the clock tree and configure LPSPI clock in SDK.
Customer can configure LPSPI clock according to the following steps:
1 Select Source according to the clock tree.

2 Set LPSPI_CKL_SEL according to the register CCM_CBCMR.

3 Enable LPSPIn clock according to the register CCM_CCGR1.

4 Set clock gate according to register CCM_ANALOG_PFD_480n[PFDn_CLKGATE].

5 Set LPSPI_PODF according to register CCM_CBCMR.

6 Set TCR[PRESCALE] according to LPSPIx module.

7 Set CCR[SCKDIV] according to LPSPIx module.

The customer can get the value LPSPI_CLK according to the above steps
