where is reference design for ddr3 of imx6 solo?

cancel
Showing results for 
Show  only  | Search instead for 
Did you mean: 

where is reference design for ddr3 of imx6 solo?

2,120 Views
翔李
Contributor IV

I just find the imx6DUALL/SOLO sch and pcb in nxp,but the sch bases on imx6 duall which has 64bit datas,but imx6 solo only has 32bit data,so what is the detail difference between dual and solo on ddr3?

Please show me the detail way to design 2pcs-ddr3-32bit from dual sch,include all ddr3-pins.Refer to attchment file-pdf.

What's more,can imx6 solo support 2 pcs ddr3 ic,each dd3 IC has 16bit width ddr-data?Does the following picture mean solo only have 1-channel,so it support 1 pcs ddr3?

pastedImage_1.png

thanks.

0 Kudos
Reply
4 Replies

1,806 Views
art
NXP Employee
NXP Employee

Q. What's more,can imx6 solo support 2 pcs ddr3 ic,each dd3 IC has 16bit width ddr-data?

A. Yes, it can.

Q. Please show me the detail way to design 2pcs-ddr3-32bit from dual sch,include all ddr3-pins.Refer to attchment file-pdf.

A. With i.MX6Solo, you can just follow the schematic you've provided. The only change is to remove the U26 and U27 DDR3 parts since only the lower 32 bits of data are available on i.MX6Solo.


Have a great day,
Artur

-----------------------------------------------------------------------------------------------------------------------
Note: If this post answers your question, please click the Correct Answer button. Thank you!
-----------------------------------------------------------------------------------------------------------------------

0 Kudos
Reply

1,806 Views
lieric
Contributor I

hi Artur

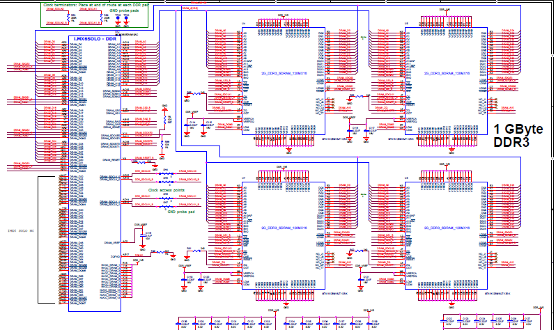
If I use MX6solo ,I want use four 256MB to get 1GB ,Please help me review the above sch.TKS!

Also how can i layout the DDR3,which topology is better?

0 Kudos
Reply

1,806 Views
lieric
Contributor I

pastedImage_1.png

0 Kudos
Reply

1,806 Views
art
NXP Employee
NXP Employee

To make me able to check the schematic, please provide it in better readable format, better, as the original .pdf document.

Artur

0 Kudos
Reply