Hi
we are using imx6ul partnumber: MCIMX6G2CVM05AA in our project. we got our custom board but we are unable to flash emmc using UUU tool. linux platform.please find the following observation:
1. Board did passed ddr3 calibration ,stress test. attached its report
2. PC can detect custom board and can read VID and PID.
3. when we try to flash we are getting a error like "cannot fine VTP header"
4. emmc datasheet attached as well. please let me know will it support or not
micron make : MTFC8GAKAJCN-4M IT TR
kingston make : EMMC16G-TB28
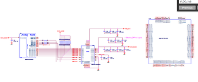
5. attached screen shot of schematics

Regards
shivakumar L V