Hi -
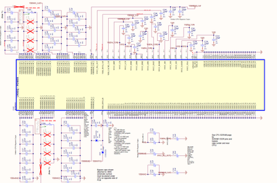
We have a custom board in a portable device using the iMX6D with PF0100 PMIC. We have a coin cell for VDDSVNS back up, however our original design did not specify a resistor in series as referenced in the Hw Dev Guide, Table 2-6 section 14.
We have a board which was previously operational, but which now doesn't have either the 32kHz or 24mHz ref clocks. Since the VDDSNVS powers the RTC, could the issue shown in the Explanation/supplemental recommendation of the table be the cause, even though there is a diode (D24 in the iMX6 schematic) which should block the reverse flow of current? On this board, the coin cell was completely discharged, and main power had been connected and disconnected several times, which seems to be the situation concern resulting in the need for the resistor.
Please refer to the attached for relevant parts of schematics of our board and the section 14 of table 2-6 in the hw dev guide. We can replace the 0Ω jumper resistor (R131 shown in the PF0100A schematic) with an appropriately sized resistor if needed.



Thank you for any insight that you can give us on this issue.
Mike