Hi ,
We check iMX7 demo board MIPI connector pin define is not the same as i.MX6Q SabreSD board.
But base on i.MX_Linux_Release_Notes.pdf of fsl-yocto-L4.1.15_2.1.0-ga version ,OV5640_MIPI already in AVL list.
Can you give me mipi camera module vender list and part number ?
IMX6SabreSD MIPI schematic

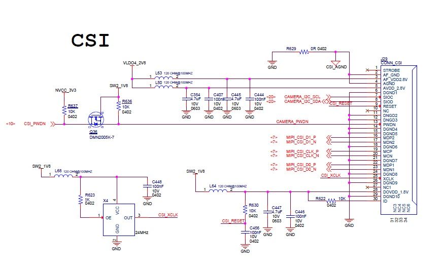
MX7 Demo board MCIMX7Sabre demo board MIPI Camera sch

fsl-yocto-L4.1.15_2.1.0-ga , i.MX_Linux_Release_Notes.pdf
