i.MX53 SD card I/F usage

cancel
Showing results for 
Show  only  | Search instead for 
Did you mean: 

i.MX53 SD card I/F usage

Jump to solution
1,449 Views
ko-hey
Senior Contributor II

Hi all

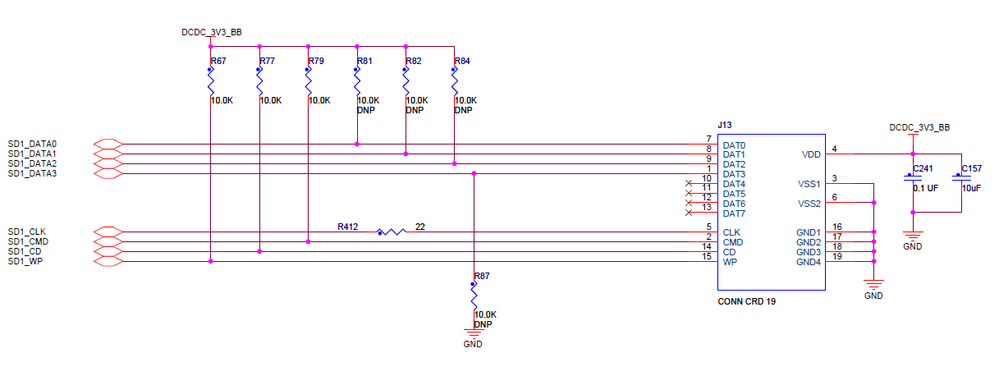
I want to confirm about the meaning of the word "Pull up" in Table 30-1 at following document.

http://cache.freescale.com/files/32bit/doc/ref_manual/iMX53RM.pdf?

In the Table 30-1, there is a column that named "Pull up".

What is this mean ?

Does the user should be pull up for each signals ?

However, in the schematics of SABRE Platform for Tablets Reference Design based on i.MX53, the SD1_DATA0, SD1_DATA1 and SD1_DATA2 signals are not pull-uped.

Because of those difference, I'm confusing.

So please let me know the meaning of the column.

pastedImage_1.png

Ko-hey

Labels (1)
Tags (1)
0 Kudos
Reply
1 Solution
1,393 Views
igorpadykov
NXP Employee
NXP Employee

Hi ko-hey

yes pull-ups are needed, SD1_DATA have internal pull-ups,

if necessary external pull-ups may be added for improving signal integrity.

Best regards

igor

-----------------------------------------------------------------------------------------------------------------------

Note: If this post answers your question, please click the Correct Answer button. Thank you!

-----------------------------------------------------------------------------------------------------------------------

View solution in original post

0 Kudos
Reply
2 Replies
1,394 Views
igorpadykov
NXP Employee
NXP Employee

Hi ko-hey

yes pull-ups are needed, SD1_DATA have internal pull-ups,

if necessary external pull-ups may be added for improving signal integrity.

Best regards

igor

-----------------------------------------------------------------------------------------------------------------------

Note: If this post answers your question, please click the Correct Answer button. Thank you!

-----------------------------------------------------------------------------------------------------------------------

0 Kudos
Reply
1,393 Views
ko-hey
Senior Contributor II

Igor

Thanks!

Ko-hey

0 Kudos
Reply