how can i create a partition on new emmc?

cancel
Showing results for 
Show  only  | Search instead for 
Did you mean: 

how can i create a partition on new emmc?

27,812 Views
novemer
Contributor I

hi all

i make a board based on imx283 evk, but repalce SD card with emmc(SanDisk SDIN5D2-16G) .data0-3,clk.cmd.now there is a problem:the emmc is new one,not formatted,even no partition.so i can not use it directly.debug window txt out:new high speed.....14.8Gb/unknown partition table.how can i create a new patition and format it?

i tried "fdisk",but when i execute"fdisk /dev/mmcblk0",system is down.

i tried again with a sd card that i canfix it use card reader.

1,insert a formatted sd card, powerup, txt out:.....14.8Gb/mmcblk0p1;

2,execut"fdisk /dev/mmcblk0",type "m" for help,and type "d" for delete patition,type "w" and quit, powerdown;

3,powerup,txt out:....14.8Gb/unknown patition table;

4, i can not do anything unless put the sd card to cardreader and format with PC.

Labels (1)
0 Kudos
Reply
11 Replies

15,841 Views
isaigaspar
NXP Employee
NXP Employee

Hi Xu Wang,

I didn't understand you completely, which boot device are you using?

And could you please paste the bootlog here?

Best Regards,

Isaí

0 Kudos
Reply

15,841 Views
novemer
Contributor I

"fdisk" command is useless,if i type"fdisk /dev/mmcblk0",the system is down.

0 Kudos
Reply

15,841 Views
isaigaspar
NXP Employee
NXP Employee

Ok, let's try this, check if you can read/write on the eMMC, you can try 'dd if=/dev/zero of=/dev/mmcblk0 bs=512 count=512.' Just to make sure it's not a disk issue.

It seems more like a hardware issue, could you please provide the SD/eMMC schematic and your code for pin configuration?

Best regards,

Isai

0 Kudos
Reply

15,841 Views
novemer
Contributor I

Isai,

thanks for reply.

i tried 'dd if=/dev/zero of=/dev/mmcblk0 bs=512 count=512.' it does not work too, system is down.

can i send emai to you, for i don't know how to upload pdf file.

best regards.

wang

0 Kudos
Reply

15,841 Views
isaigaspar
NXP Employee
NXP Employee

Hi Wang,

You can attach a file using the advanced editor located at the top right of the reply section. Once you have selected the advanced editor there will be an "Attach" option. You can use the "Insert Image" option as well.

Have a good one,

Isai

0 Kudos
Reply

15,841 Views
novemer
Contributor I

Isai,

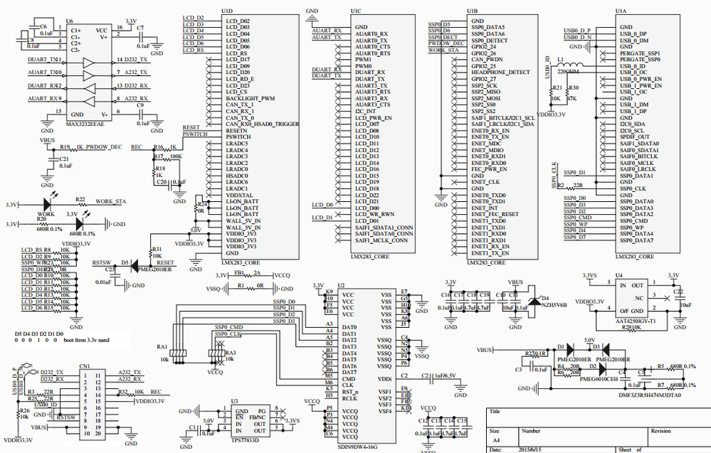
here is part of sch.

IMX283_CORE is a core board base on offical EVM,and it is work well on other projects.i just replace SD card with EMMC.

UPDATE:

1,emmc is :SDIN5D2-16G;

2,SSP0_WP is pull-down to GND.

regards,

wang

sch.PNG

0 Kudos
Reply

15,841 Views
isaigaspar
NXP Employee
NXP Employee

Hi Wang,

It seems that your schematic is correct.

According to your bootlog you are using battery power, this may cause problems if the regulators are not configured correctly.

In chapter 11 of the Reference Manual:

"If the system is operating from the DC-DC converter and is using more
current than the linear regulators can supply, then the VDDD, VDDA, and VDDIO rails
will droop when 5V is attached and the system may brownout and shut down."

Please make sure that the microcontroller always has valid voltages during eMMC or SD Card R/W operations, which is the time when they use more current. This may be the cause of your shut down.

If you believe this is a Linux problem, you can try R/W on the eMMC in Uboot :

- Choose the right mmc instance of your eMMC (You can check the available devices with "mmc list")

U-Boot > mmc dev #instance

Example:

U-Boot > mmc dev 2

mmc2(part 0) is current device

- If you are not sure that's the right one you can see its properties with: mmcinfo.

Example:

U-Boot > mmcinfo

Device: FSL_SDHC

Manufacturer ID: 45

OEM: 100

Name: SEM08

Tran Speed: 52000000

Rd Block Len: 512

MMC version 4.41

High Capacity: Yes

Capacity: 7.4 GiB

Bus Width: 8-bit

- Now you can write/read on it

U-Boot > mmc write 0x10000000 0x600 0x10

MMC write: dev # 2, block # 1536, count 16 ... 16 blocks write: OK

U-Boot > mmc read 0x10000000 0x600 0x10

MMC read: dev # 2, block # 1536, count 16 ... 16 blocks read: OK

Best regards,

Isai

0 Kudos
Reply

15,841 Views
novemer
Contributor I

Isai,

I trid "mmcinfo" command, but it seem no this command.and the power is correct. it looks like hardware issue, yes, but i am not sure, so i want to exclude sofeware problem.

regards.

wang.

here is bootlog:

PowerPrep start initialize power...

Battery Voltage = 4.79V

5v source detected.Valid battery                                voltage detected.Booting from battery                          voltage source.

Apr 13 201417:13:10

FRAC 0x92925552

memory type is DDR2

                  Wait for ddr ready 1power 0x00820616

Frac 0x92925552

start change cpu freq

hbus 0x00000003

cpu 0x00010001

start test memory accress

ddr2 0x40000000

finish simple test

U-Boot 2009.08 (Dec 03 2014 - 21:04:20)

Freescale i.MX28 family

CPU:  454 MHz

BUS:  151 MHz

EMI:  205 MHz

GPMI:  24 MHz

DRAM:  128 MB

NAND:  Manufacturer      : Macronix (0xc2)

Device Code      : 0xf1

Cell Technology  : SLC

Chip Size        : 128 MiB

Pages per Block  : 64

Page Geometry    : 2048+64

ECC Strength      : 1 bits

ECC Size          : 512 B

Data Setup Time  : 5 ns

Data Hold Time    : 5 ns

Address Setup Time: 15 ns

GPMI Sample Delay : 6 ns

tREA              : 20 ns

tRLOH            : 4294967295 ns

tRHOH            : 4294967295 ns

Description      : MX30LF1G08AA

128 MiB

*** Warning - bad CRC or NAND, using default environment

In:    serial

Out:  serial

Err:  serial

Net:  got MAC address from IIM: 00:04:00:00:00:00

FEC0

Hit any key to stop autoboot:  0

MX28 U-Boot > mmcinfo

Unknown command 'mmcinfo' - try 'help'

MX28 U-Boot > help

?      - alias for 'help'

autoscr - DEPRECATED - use "source" command instead

base    - print or set address offset

bdinfo  - print Board Info structure

boot    - boot default, i.e., run 'bootcmd'

bootd  - boot default, i.e., run 'bootcmd'

bootm  - boot application image from memory

bootp  - boot image via network using BOOTP/TFTP protocol

cmp    - memory compare

coninfo - print console devices and information

cp      - memory copy

crc32  - checksum calculation

dhcp    - boot image via network using DHCP/TFTP protocol

echo    - echo args to console

go      - start application at address 'addr'

help    - print online help

iminfo  - print header information for application image

imxtract- extract a part of a multi-image

itest  - return true/false on integer compare

loadb  - load binary file over serial line (kermit mode)

loads  - load S-Record file over serial line

loady  - load binary file over serial line (ymodem mode)

loop    - infinite loop on address range

md      - memory display

mii    - MII utility commands

mm      - memory modify (auto-incrementing address)

mtest  - simple RAM read/write test

mw      - memory write (fill)

nand    - NAND sub-system

nboot  - boot from NAND device

nfs    - boot image via network using NFS protocol

nm      - memory modify (constant address)

ping    - send ICMP ECHO_REQUEST to network host

printenv- print environment variables

rarpboot- boot image via network using RARP/TFTP protocol

reset  - Perform RESET of the CPU

run    - run commands in an environment variable

saveenv - save environment variables to persistent storage

setenv  - set environment variables

sleep  - delay execution for some time

source  - run script from memory

tftpboot- boot image via network using TFTP protocol

version - print monitor version

MX28 U-Boot >

0 Kudos
Reply

15,841 Views
isaigaspar
NXP Employee
NXP Employee

Hi Xu Wang,

If your u-boot doesn't have that command you need to add it in your board configuration file mx28evk.h

#define CONFIG_CMD_MMC

Best regards,

Isai

0 Kudos
Reply

15,840 Views
novemer
Contributor I

laid,

Thanks for replay, as a now one in embedded linux, I have no idea about bootlog, I will try what  you say.

I don't use battery suplly, I just short battery pin and vcc  pin.

Regards,

Wang

0 Kudos
Reply

15,840 Views
novemer
Contributor I

hi Isai,

thanks for reply.

my board boot from nand flash,and the system files are in nand flash too.i just replace sd card with emmc chip.i want to use it for storage.

here is the bootlog:

PowerPrep start initialize power...

Battery Voltage = 4.72V

5v source detected.Valid battery                                voltage detected                                                                                                .Booting from battery                          voltage source.

Apr 13 201417:13:10

FRAC 0x92925552

memory type is DDR2

                  Wait for ddr ready 1power 0x00820616

Frac 0x92925552

start change cpu freq

hbus 0x00000003

cpu 0x00010001

start test memory accress

ddr2 0x40000000

finish simple test

U-Boot 2009.08 (Dec 03 2014 - 21:04:20)

Freescale i.MX28 family

CPU:  454 MHz

BUS:  151 MHz

EMI:  205 MHz

GPMI:  24 MHz

DRAM:  128 MB

NAND:  Manufacturer      : Macronix (0xc2)

Device Code      : 0xf1

Cell Technology  : SLC

Chip Size        : 128 MiB

Pages per Block  : 64

Page Geometry    : 2048+64

ECC Strength      : 1 bits

ECC Size          : 512 B

Data Setup Time  : 5 ns

Data Hold Time    : 5 ns

Address Setup Time: 15 ns

GPMI Sample Delay : 6 ns

tREA              : 20 ns

tRLOH            : 4294967295 ns

tRHOH            : 4294967295 ns

Description      : MX30LF1G08AA

128 MiB

*** Warning - bad CRC or NAND, using default environment

In:    serial

Out:  serial

Err:  serial

Net:  got MAC address from IIM: 00:04:00:00:00:00

FEC0

Hit any key to stop autoboot:  0

NAND read: device 0 offset 0x300000, size 0x300000

3145728 bytes read: OK

## Booting kernel from Legacy Image at 42000000 ...

  Image Name:  Linux-2.6.35.3-670-g914558e-gb28

  Image Type:  ARM Linux Kernel Image (uncompressed)

  Data Size:    2563784 Bytes =  2.4 MB

  Load Address: 40008000

  Entry Point:  40008000

  Verifying Checksum ... OK

  Loading Kernel Image ... OK

OK

Starting kernel ...

Uncompressing Linux... done, booting the kernel.

Linux version 2.6.35.3-670-g914558e-gb2817d0-dirty (myzr@myzr) (gcc version 4.4.                                                                                                4 (4.4.4_09.06.2010) ) #5 PREEMPT Fri Dec 19 16:34:45 CST 2014

CPU: ARM926EJ-S [41069265] revision 5 (ARMv5TEJ), cr=00053177

CPU: VIVT data cache, VIVT instruction cache

Machine: Freescale MX28EVK board

Memory policy: ECC disabled, Data cache writeback

Built 1 zonelists in Zone order, mobility grouping on.  Total pages: 32512

Kernel command line: console=ttyAM0,115200 ubi.mtd=1 root=ubi0:rootfs0 rootfstyp                                                                                                e=ubifs gpmi rw rootwait ip=none

PID hash table entries: 512 (order: -1, 2048 bytes)

Dentry cache hash table entries: 16384 (order: 4, 65536 bytes)

Inode-cache hash table entries: 8192 (order: 3, 32768 bytes)

Memory: 128MB = 128MB total

Memory: 124316k/124316k available, 6756k reserved, 0K highmem

Virtual kernel memory layout:

    vector  : 0xffff0000 - 0xffff1000  (  4 kB)

    fixmap  : 0xfff00000 - 0xfffe0000  ( 896 kB)

    DMA    : 0xfde00000 - 0xffe00000  (  32 MB)

    vmalloc : 0xc8800000 - 0xf0000000  ( 632 MB)

    lowmem  : 0xc0000000 - 0xc8000000  ( 128 MB)

    modules : 0xbf000000 - 0xc0000000  (  16 MB)

      .init : 0xc0008000 - 0xc0030000  ( 160 kB)

      .text : 0xc0030000 - 0xc04f7000  (4892 kB)

      .data : 0xc04f8000 - 0xc0535ca0  ( 248 kB)

SLUB: Genslabs=11, HWalign=32, Order=0-3, MinObjects=0, CPUs=1, Nodes=1

Hierarchical RCU implementation.

        RCU-based detection of stalled CPUs is disabled.

        Verbose stalled-CPUs detection is disabled.

NR_IRQS:288

Console: colour dummy device 80x30

console [ttyAM0] enabled

Calibrating delay loop... 226.09 BogoMIPS (lpj=1130496)

pid_max: default: 32768 minimum: 301

Security Framework initialized

SELinux:  Initializing.

Mount-cache hash table entries: 512

CPU: Testing write buffer coherency: ok

regulator: core version 0.5

NET: Registered protocol family 16

regulator: vddd: 800 <--> 1575 mV at 1500 mV fast normal

regulator: vdddbo: 800 <--> 1575 mV fast normal

regulator: vdda: 1500 <--> 2275 mV at 1800 mV fast normal

vddio = 3380000, val=10

regulator: vddio: 2880 <--> 3680 mV at 3380 mV fast normal

regulator: overall_current: fast normal

regulator: vbus5v:

regulator: mxs-duart-1: fast normal

regulator: mxs-bl-1: fast normal

regulator: mxs-i2c-1: fast normal

regulator: mmc_ssp-1: fast normal

regulator: mmc_ssp-2: fast normal

regulator: charger-1: fast normal

regulator: power-test-1: fast normal

regulator: cpufreq-1: fast normal

i.MX IRAM pool: 124 KB@0xc8820000

Initializing GPMI pins

usb DR wakeup device is registered

IMX usb wakeup probe

audit: cannot initialize inotify handle

bio: create slab <bio-0> at 0

SCSI subsystem initialized

Freescale USB OTG Driver loaded, $Revision: 1.55 $

usbcore: registered new interface driver usbfs

usbcore: registered new interface driver hub

usbcore: registered new device driver usb

Advanced Linux Sound Architecture Driver Version 1.0.23.

Switching to clocksource mxs clock source

NET: Registered protocol family 2

IP route cache hash table entries: 1024 (order: 0, 4096 bytes)

TCP established hash table entries: 4096 (order: 3, 32768 bytes)

TCP bind hash table entries: 4096 (order: 2, 16384 bytes)

TCP: Hash tables configured (established 4096 bind 4096)

TCP reno registered

UDP hash table entries: 256 (order: 0, 4096 bytes)

UDP-Lite hash table entries: 256 (order: 0, 4096 bytes)

NET: Registered protocol family 1

RPC: Registered udp transport module.

RPC: Registered tcp transport module.

RPC: Registered tcp NFSv4.1 backchannel transport module.

Bus freq driver module loaded

IMX usb wakeup probe

usb h1 wakeup device is registered

mxs_cpu_init: cpufreq init finished

audit: initializing netlink socket (disabled)

type=2000 audit(0.610:1): initialized

VFS: Disk quotas dquot_6.5.2

Dquot-cache hash table entries: 1024 (order 0, 4096 bytes)

JFFS2 version 2.2. (NAND) ? 2001-2006 Red Hat, Inc.

msgmni has been set to 242

alg: No test for stdrng (krng)

cryptodev: driver loaded.

Block layer SCSI generic (bsg) driver version 0.4 loaded (major 253)

io scheduler noop registered

io scheduler deadline registered

io scheduler cfq registered (default)

Console: switching to colour frame buffer device 60x34

mxs-duart.0: ttyAM0 at MMIO 0x80074000 (irq = 47) is a DebugUART

mxs-auart.0: ttySP0 at MMIO 0x8006a000 (irq = 112) is a mxs-auart.0

Found APPUART 3.1.0

mxs-auart.1: ttySP1 at MMIO 0x8006c000 (irq = 113) is a mxs-auart.1

Found APPUART 3.1.0

mxs-auart.2: ttySP2 at MMIO 0x8006e000 (irq = 114) is a mxs-auart.2

Found APPUART 3.1.0

mxs-auart.3: ttySP3 at MMIO 0x80070000 (irq = 115) is a mxs-auart.3

Found APPUART 3.1.0

mxs-auart.4: ttySP4 at MMIO 0x80072000 (irq = 116) is a mxs-auart.4

Found APPUART 3.1.0

brd: module loaded

loop: module loaded

i.MX GPMI NFC

NFC: Version 1, 8-chip GPMI and BCH

Boot ROM: Version 1, Single-chip boot area, block mark swapping supported

Scanning for NAND Flash chips...

NAND device: Manufacturer ID: 0xc2, Chip ID: 0xf1 (Macronix NAND 128MiB 3,3V 8-bit)

-----------------------------

NAND Flash Device Information

-----------------------------

Manufacturer      : Macronix (0xc2)

Device Code      : 0xf1

Cell Technology  : SLC

Chip Size        : 128 MiB

Pages per Block  : 64

Page Geometry    : 2048+64

ECC Strength      : 1 bits

ECC Size          : 512 B

Data Setup Time  : 5 ns

Data Hold Time    : 5 ns

Address Setup Time: 15 ns

GPMI Sample Delay : 6 ns

tREA              : 20 ns

tRLOH            : 4294967295 ns

tRHOH            : 4294967295 ns

Description      : MX30LF1G08AA

-----------------

Physical Geometry

-----------------

Chip Count            : 1

Page Data Size in Bytes: 2048 (0x800)

Page OOB Size in Bytes : 64

Block Size in Bytes    : 131072 (0x20000)

Block Size in Pages    : 64 (0x40)

Chip Size in Bytes    : 134217728 (0x8000000)

Chip Size in Pages    : 65536 (0x10000)

Chip Size in Blocks    : 1024 (0x400)

Medium Size in Bytes  : 134217728 (0x8000000)

------------

NFC Geometry

------------

ECC Algorithm          : BCH

ECC Strength          : 8

Page Size in Bytes    : 2112

Metadata Size in Bytes : 10

ECC Chunk Size in Bytes: 512

ECC Chunk Count        : 4

Payload Size in Bytes  : 2048

Auxiliary Size in Bytes: 16

Auxiliary Status Offset: 12

Block Mark Byte Offset : 1999

Block Mark Bit Offset  : 0

-----------------

Boot ROM Geometry

-----------------

Boot Area Count            : 1

Boot Area Size in Bytes    : 20971520 (0x1400000)

Stride Size in Pages      : 64

Search Area Stride Exponent: 2

Boot area protection is enabled.

Creating 2 MTD partitions on "gpmi-nfc-main":

0x000000000000-0x000001400000 : "gpmi-nfc-0-boot"

0x000001400000-0x000008000000 : "gpmi-nfc-general-use"

UBI: attaching mtd1 to ubi0

UBI: physical eraseblock size:  131072 bytes (128 KiB)

UBI: logical eraseblock size:    126976 bytes

UBI: smallest flash I/O unit:    2048

UBI: VID header offset:          2048 (aligned 2048)

UBI: data offset:                4096

UBI: attached mtd1 to ubi0

UBI: MTD device name:            "gpmi-nfc-general-use"

UBI: MTD device size:            108 MiB

UBI: number of good PEBs:        864

UBI: number of bad PEBs:        0

UBI: max. allowed volumes:      128

UBI: wear-leveling threshold:    4096

UBI: number of internal volumes: 1

UBI: number of user volumes:    1

UBI: available PEBs:            0

UBI: total number of reserved PEBs: 864

UBI: number of PEBs reserved for bad PEB handling: 8

UBI: max/mean erase counter: 2/1

UBI: image sequence number: 0

UBI: background thread "ubi_bgt0d" started, PID 1004

ubiblka: unknown partition table

mxs-spi mxs-spi.0: Max possible speed 24000 = 24000000/2 kHz

mxs-spi mxs-spi.0: at 0x80014000 mapped to 0xF0014000, irq=84, bus 1, DMA ver_major 4

FEC Ethernet Driver

fec_enet_mii_bus: probed

ehci_hcd: USB 2.0 'Enhanced' Host Controller (EHCI) Driver

fsl-ehci fsl-ehci: Freescale On-Chip EHCI Host Controller

fsl-ehci fsl-ehci: new USB bus registered, assigned bus number 1

fsl-ehci fsl-ehci: irq 93, io base 0x80080000

fsl-ehci fsl-ehci: USB 2.0 started, EHCI 1.00

hub 1-0:1.0: USB hub found

hub 1-0:1.0: 1 port detected

fsl-ehci fsl-ehci.0: Freescale On-Chip EHCI Host Controller

fsl-ehci fsl-ehci.0: new USB bus registered, assigned bus number 2

fsl-ehci fsl-ehci.0: irq 92, io base 0x80090000

fsl-ehci fsl-ehci.0: USB 2.0 started, EHCI 1.00

hub 2-0:1.0: USB hub found

hub 2-0:1.0: 1 port detected

Initializing USB Mass Storage driver...

usbcore: registered new interface driver usb-storage

USB Mass Storage support registered.

ARC USBOTG Device Controller driver (1 August 2005)

mice: PS/2 mouse device common for all mice

input: mxs-kbd as /devices/platform/mxs-kbd.0/input/input0

input: MXS touchscreen as /devices/virtual/input/input1

MXS RTC driver v1.0 hardware v2.3.0

mxs-rtc mxs-rtc.0: rtc core: registered mxs-rtc as rtc0

IR NEC protocol handler initialized

IR RC5(x) protocol handler initialized

IR RC6 protocol handler initialized

IR JVC protocol handler initialized

IR Sony protocol handler initialized

Linux video capture interface: v2.00

mxs-pxp mxs-pxp.0: initialized

mxs watchdog: initialized, heartbeat 19 sec

mxs-mmc: MXS SSP Controller MMC Interface driver

__mxs_reset_block(f0010000): timeout when resetting

__mxs_reset_block(f0010000): timeout when resetting

mxs-mmc mxs-mmc.0: mmc0: MXS SSP MMC DMAIRQ 82 ERRIRQ 96

dcp dcp.0: DCP crypto enabled.!

usbcore: registered new interface driver hiddev

usbcore: registered new interface driver usbhid

usbhid: USB HID core driver

sgtl5000_hw_read: read reg error : Reg 0x00

Device with ID register 0 is not a SGTL5000

mxs-spdif mxs-spdif.0: MXS SPDIF Audio Transmitter

No device for codec mxs spdif

No device for DAI mxs spdif

No device for DAI mxs-saif

No device for DAI mxs-spdif

asoc: mxs spdif <-> mxs-spdif mapping ok

ALSA device list:

  #0: mxs-evk (mxs spdif)

TCP cubic registered

NET: Registered protocol family 17

can: controller area network core (rev 20090105 abi 8)

NET: Registered protocol family 29

can: raw protocol (rev 20090105)

regulator_init_complete: incomplete constraints, leaving vbus5v on

mxs-rtc mxs-rtc.0: setting system clock to 1970-01-01 00:00:12 UTC (12)

mmc0: new high speed MMC card at address 0001

mmcblk0: mmc0:0001 SEM16G 14.8 GiB

mmcblk0: unknown partition table

UBIFS: recovery needed

UBIFS: recovery completed

UBIFS: mounted UBI device 0, volume 0, name "rootfs0"

UBIFS: file system size:  106913792 bytes (104408 KiB, 101 MiB, 842 LEBs)

UBIFS: journal size:      5332992 bytes (5208 KiB, 5 MiB, 42 LEBs)

UBIFS: media format:      w4/r0 (latest is w4/r0)

UBIFS: default compressor: lzo

UBIFS: reserved for root:  4952683 bytes (4836 KiB)

VFS: Mounted root (ubifs filesystem) on device 0:14.

Freeing init memory: 160K

starting pid 1121, tty '': '/etc/rc.d/rcS'

Mounting /proc and /sys

Starting the hotplug events dispatcher udevd

Synthesizing initial hotplug events

Setting the hostname to freescale

Mounting filesystems

mount: mounting usbfs on /proc/bus/usb failed: No such file or directory

starting pid 2273, tty '': '/etc/rc.d/rc_gpu.S'

can't run '/etc/rc.d/rc_gpu.S': No such file or directory

starting pid 2274, tty '/dev/ttyAM0': '/bin/login root'

login[2274]: root login on 'ttyAM0'

BusyBox v1.20.2 () built-in shell (ash)

Enter 'help' for a list of built-in commands.

root@freescale ~$

////end

all bootlog is here,i want to known how to format the chip.

best regards

wang

0 Kudos
Reply