TURN OFF PF3001A7 from SoC SW

cancel
Showing results for 
Show  only  | Search instead for 
Did you mean: 

TURN OFF PF3001A7 from SoC SW

1,862 Views
nachodiz
Contributor III

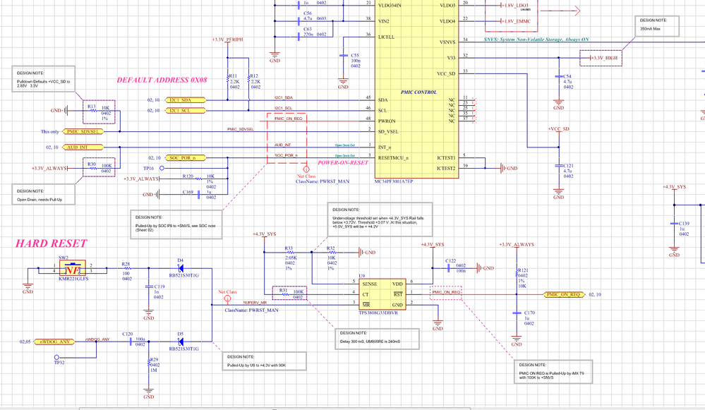
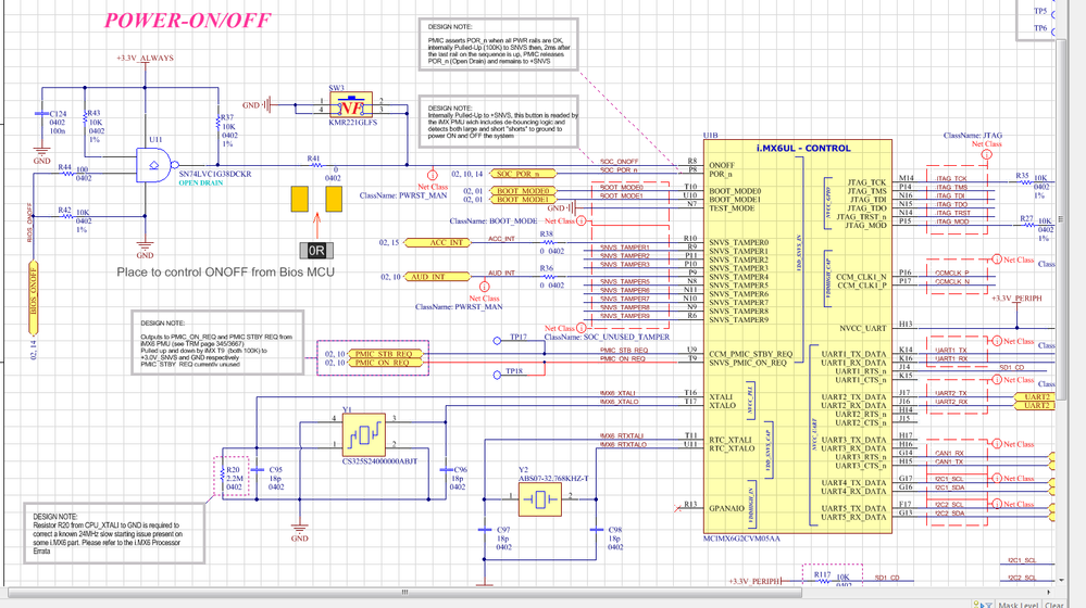
Dear All

How can we turn off the PMIC (Invoking the power off secuence and reset asserting, FROM SW ?

For turning it on we have a PIC microcontroller that turns on the PMIC by pullling down the SOC ONOFF pin through an open drain nand gate

I can connect a GPIO from SoC to PIC to indicate that turnoff can be performed but i prefer to turn off the pmic from SoC

Pic detects long pressings on a remote button that shorts to ground the externally pulled up 40v line

IMA.png

IMB.png


IMC.png

IMC.png

King Regards

0 Kudos
Reply
3 Replies

1,719 Views
reyes
NXP TechSupport
NXP TechSupport

Hi,

The PF3001 enters the Off mode after a turn-off event, turn off events can be achieved using the PWRON pin and PWRONRSTEN bit.

 

PF3001 can be turned OFF by setting PWRONRSTEN bit = 1 and keeping PWRON pin held low for 4 seconds or longer.


Have a great day,
Jose

-----------------------------------------------------------------------------------------------------------------------
Note: If this post answers your question, please click the Correct Answer button. Thank you!
-----------------------------------------------------------------------------------------------------------------------

0 Kudos
Reply

1,719 Views
nachodiz
Contributor III

What can happen if i have PWRON PIN HIGH and ISET PWRONRSTEN bit = 1 from SoC ?

0 Kudos
Reply

1,719 Views
reyes
NXP TechSupport
NXP TechSupport

Hi Nacho,

PWRONRSTEN bit = 1 would allow OFF mode after PWRON held low, but it will not turn OFF is PWRON pin is always HIGH.


Have a great day,
Jose

-----------------------------------------------------------------------------------------------------------------------
Note: If this post answers your question, please click the Correct Answer button. Thank you!
-----------------------------------------------------------------------------------------------------------------------

0 Kudos
Reply