Reset loop, DCDC_BATT source only 3.3V

cancel
Showing results for 
Show  only  | Search instead for 
Did you mean: 

Reset loop, DCDC_BATT source only 3.3V

Jump to solution
3,056 Views
peterbärtsch
Contributor III

Hello

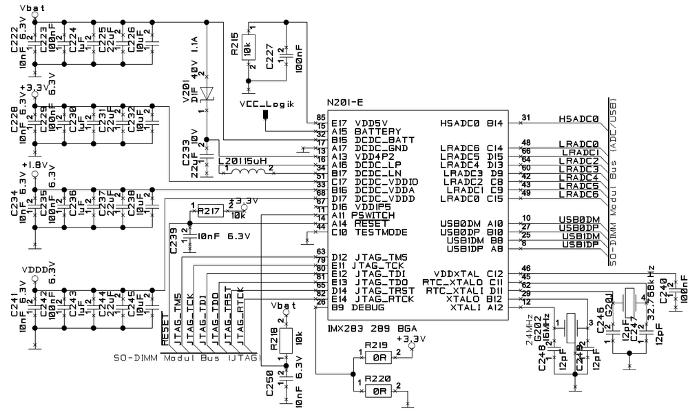
We supply our borad over the DCDC_BATT Pin with 3.3V (from DCDC). We use following configuration:

Config.png

When the borad powerd with 3.3V we have a reset during the barebox is starting. We can increase the FRAC_CPUFRC to 28 or HBUS_DIV to 8 and the Linux starts normally.

When we power our board with 3.8V we have no problems. The Linux starts with the fastest clock configuartion.

pastedImage_2.png

Vbat and VCC_Logik (confusing name I now) are connected. What is the problem?


Best regards

Peter

Labels (1)
0 Kudos
Reply
1 Solution
2,876 Views
Yuri
NXP Employee
NXP Employee

Yes, You may look at Table 13 (Power Supply Characteristics) of the Datasheet
(IMX28CEC, Rev. 3, 07/2012) :
DCDC_VDDA Maximum Output Current (VDDA = 1.8 V)  = 200 mA

~Yuri.

View solution in original post

0 Kudos
Reply
7 Replies
2,876 Views
Yuri
NXP Employee
NXP Employee

According to footnote of Table 8 (Recommended Power Supply Operating Conditions)
of the i.MX28 Datasheet(s) :
"With external loadings (for example, one DDR2 device and SD Card/NAND Flash),
MX28 PMU was tested at BATT/DCDC_BATT > 3.30 V
".

So, BATT/DCDC_BATT > 3.30 may be recommended.


Have a great day,
Yuri

-----------------------------------------------------------------------------------------------------------------------
Note: If this post answers your question, please click the Correct Answer button. Thank you!
-----------------------------------------------------------------------------------------------------------------------

0 Kudos
Reply
2,876 Views
peterbärtsch
Contributor III

Hello

Denotes the DCDC_BATT is for 3.3V supply unusable?

Best regards

Peter

0 Kudos
Reply
2,876 Views
Yuri
NXP Employee
NXP Employee

In the case, the issue may be caused because of really high (external) load.
Also, special software configuration should be applied here ; please take a look at
section 4.1.1.2 (DCDC_BATT source only: software configuration)  of the app note AN4199.

http://cache.freescale.com/files/32bit/doc/app_note/AN4199.pdf

~Yuri.

0 Kudos
Reply
2,876 Views
peterbärtsch
Contributor III

We supply only a NAND Flash and DDR2 Memory on 1.8V over the imx. I check the consumption.

Best regards

Peter

0 Kudos
Reply
2,876 Views
Yuri
NXP Employee
NXP Employee

  Peter, good day !:


Is it possible for test purposes to power DDR2 separately (from an external source)?

~Yuri.

0 Kudos
Reply
2,876 Views
peterbärtsch
Contributor III

Hello Yuri

I measured the 1.8V path and de current was about 235mA...  And thats probable to mutch.

We use:

Flash:  SPANSION S34MS01G100BHI000

RAM:  SAMSUNG K4T1G164QF--BCE6000

Peter

0 Kudos
Reply
2,877 Views
Yuri
NXP Employee
NXP Employee

Yes, You may look at Table 13 (Power Supply Characteristics) of the Datasheet
(IMX28CEC, Rev. 3, 07/2012) :
DCDC_VDDA Maximum Output Current (VDDA = 1.8 V)  = 200 mA

~Yuri.

0 Kudos
Reply