RTC - DryIce Timer Counter is not counting (incrementing)

cancel
Showing results for 
Show  only  | Search instead for 
Did you mean: 

RTC - DryIce Timer Counter is not counting (incrementing)

Jump to solution
4,841 Views
Balconi
Contributor I

Hi,

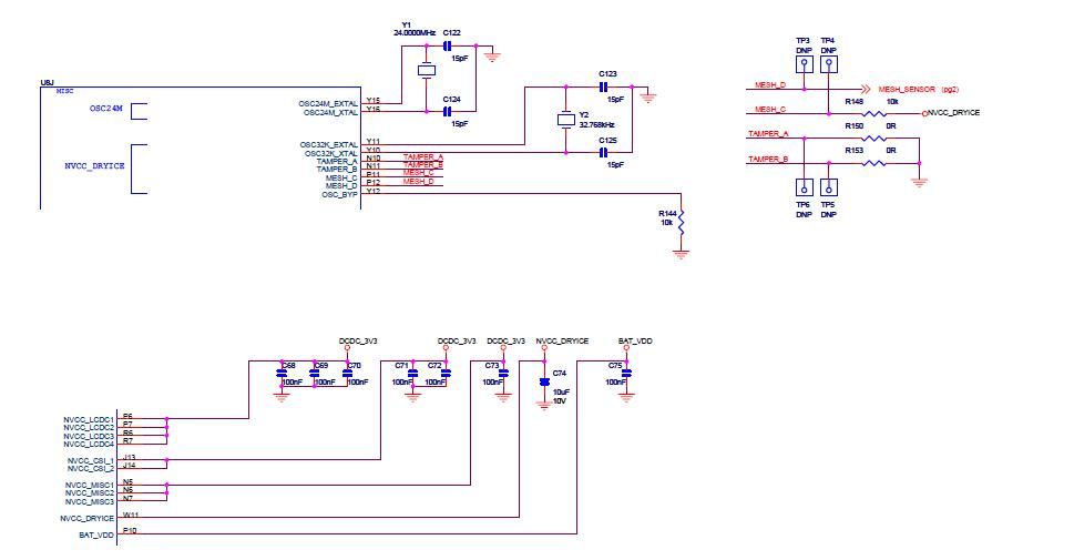
I'm using a i.MX25 in a custom board and facing problems with internal RTC, the DryIce Timer Counter. When processor is only supplied by BAT_VDD (1.2V), DTCMR (DryIce Time-Counter MSB Register) is not updated, I mean, time is not counted.

I'm printing DSR (DryIce Status Register) value during the beginning of rtc-imxdi module probe and having both SVF (Security-Violation Flag) and NVF (Non Valid Flag) disabled.

Disconnecting my board main power supply, I can verify that NVCC_DRYICE is 1.2V and the oscillator connected on EXTAL32K and XTAL32K is ok.

How can I have RTC working properly? Is there something missing?

Many thanks.

Best regards,

Balconi

Tags (1)
0 Kudos
Reply
1 Solution
4,029 Views
Yuri
NXP Employee
NXP Employee

Note, the Freescale PDK does not meet all requirements for correct RTC  operation.

As known, for i.MX25 RTC reliable operations it is needed  :

- to increase NVCC_DRYICE decoupling capacitance (~10uF, 4.7 uF as minimum).

- special power up sequence should be provided.

For new power up sequence NVCC_CRM should provided first, therefore it is needed

to add separate scheme for it.

Old approach assumes that NVCC_CRM may be fed via 3.3V  common for NVCC_CRM,

NVCC_CSI, NVCC_SDIO, NVCC_NFC, NVCC_JTAG, NVCC_MISC, VDD_I2C, VDD_EMI_DATA,

VDD_EMI_ADDR, NVCC_ADC OSC24M_VDD, USBPHY1_VDD, USBPHY2_VDD.

View solution in original post

0 Kudos
Reply
8 Replies
4,031 Views
bfac
NXP Employee
NXP Employee

Hello karinavalencia, could you please mark this question as not answered? The person who opened it is on vacations, but the team (leonardoalmeida) is still working on the topic.

Tks,

Bruno

0 Kudos
Reply
4,031 Views
karina_valencia
NXP Apps Support
NXP Apps Support

Done

0 Kudos
Reply
4,031 Views
leonardoalmeida
Contributor I

Thanks, Bruno and Karina.

I'm updating with some data.

This is hardware from imx.25 BSP:

RTC_BSP_Freescale.JPG

This is our customized hardware:

RTC_BSP_Custom.JPG

Mateus has done everything Yuri has suggested. The Freescale KIT and our board have the same problem, the RTC is lost after some time the board is powered off.

We've made some tests in our board. Into u-boot, it was added init_sequence for printing dryice registers, just after display_banner function. The data collected is:

Test number

waiting time (s)

DTCMR
when powered fff

DTCMR
when powered on

time wasted based in register  (s)

1

60

0x517804ca

0x517804ce

4

2

120

0x51780530

0x51780533

3

3

240

0x5178057b

0x517805ac

49

4

480

0x51780612

0x51780614

2

5

120

0x51780660

0x51780665

5

6

30

0x517807b9

0x517807d9

32

7

45

0x5178082c

0x51780850

36

8

120

0x51780882

0x51780885

3

9

30

0x517808c7

0x517808ca

3

10

30

0x517808ef

0x517808f2

3

11

30

0x5178090c

0x51780926

26

12

30

0x5178096c

0x51780989

29

I'm available for any further question. I also appreciate your help.

Thansk and Regards.

Leonardo

0 Kudos
Reply
4,030 Views
Yuri
NXP Employee
NXP Employee

Note, the Freescale PDK does not meet all requirements for correct RTC  operation.

As known, for i.MX25 RTC reliable operations it is needed  :

- to increase NVCC_DRYICE decoupling capacitance (~10uF, 4.7 uF as minimum).

- special power up sequence should be provided.

For new power up sequence NVCC_CRM should provided first, therefore it is needed

to add separate scheme for it.

Old approach assumes that NVCC_CRM may be fed via 3.3V  common for NVCC_CRM,

NVCC_CSI, NVCC_SDIO, NVCC_NFC, NVCC_JTAG, NVCC_MISC, VDD_I2C, VDD_EMI_DATA,

VDD_EMI_ADDR, NVCC_ADC OSC24M_VDD, USBPHY1_VDD, USBPHY2_VDD.

0 Kudos
Reply
4,031 Views
Yuri
NXP Employee
NXP Employee

Just to clarify the problem : is the erratum (ENGcm11122 DryIce: Unexpected Reset) fixed in the case ?

I mean :

A) Special power up sequence should be provided additionally.

Please look at section 3.2.3 (SRTC DryIce Power-Up/Down Sequence) of the recent

datasheet IMX25CEC.

< http://cache.freescale.com/files/dsp/doc/data_sheet/IMX25CEC.pdf >

B) NVCC_DRYICE decoupling capacitance (~10uF) is provided.

0 Kudos
Reply
4,031 Views
Balconi
Contributor I

Hi, Yuri.

SRTC DryIce Power-Up/Down Sequence is ok, board was designed following this orientation. And NVCC_DRYICE decoupling capacitance (~10uF) is also provided.


Is there another thing that I must look for?


Thanks,

Balconi.



0 Kudos
Reply
4,031 Views
Yuri
NXP Employee
NXP Employee

App note AN3874 (i.MX25 Real Time Clock (RTC)) provides general information and an example
regarding the RTC.

http://cache.freescale.com/files/dsp/doc/app_note/AN3874.pdf?fsrch=1&sr=1

Also, from the i.MX25 Security Reference Manual :
"The DryIce time-counter increments only if all the following conditions hold:

• DryIce is in the valid state

• Time-counter enable bit is set

• Time-counter overflow is clear"

The following is moderated link for i.MX25 Security Reference Manual (RM) :

http://www.freescale.com/webapp/sps/download/mod_download.jsp?colCode=IMX258SRM

Note, You should refer to local FFAE, when using this link.

Also please pay attention on app note AN4547 (Secure Boot on i.MX25, i.MX35, and

i.MX51 using HABv3) :

"For the i.MX25, there is a specific CSF command that can be used to unlock

the DryIce module, allowing image software to configure DryIce."

http://cache.freescale.com/files/32bit/doc/app_note/AN4547.pdf

0 Kudos
Reply
4,031 Views
Balconi
Contributor I

Hi, Yuri.

Thank you for your support.

I'm printing DCR (DryIce Control Register) and DSR (DryIce Status Register) during my kernel boot, inside dryice_rtc_probe function, before "Initialize dryice hardware", and having these values:

DSR: 0x00000100

    WTD  off: Wire-mesh tampering not detected.

    ETBD off: External tampering on pin B not detected.

    ETAD off: External tampering on pin A not detected.

    WCF  on:  Register updated with write data.

    TCO  off: Time counter has not overflowed.

    NVF  off: DryIce is in the valid or failure state.

    SVF  off: DryIce is in the valid or non-valid state.

   

DCR: 0x00000008

    TCE on:  DryIce time counter is enabled.

    All reading and write (bits are off) access are allowed.

   

DTCR: 0x00000000

    All security alarm (bits are off) are disabled.

    

 

Could be DryIce entering on failure or non-valid state during my board power off (only supplied by BAT_VDD) and returning to valid state during power on? DryIce needs to have DSR fail bits cleared in order to return to valid state, isn't it?

I'm not using any CSF, is it the problem?

Many thanks.

Best regards,

Balconi

0 Kudos
Reply