Power source of Secure JTAG (i.MX.RT1015)

cancel
Showing results for 
Show  only  | Search instead for 
Did you mean: 

Power source of Secure JTAG (i.MX.RT1015)

Jump to solution
1,210 Views
Daehyeon
Contributor I

Hi,

I using a MIMXRT1015-EVK board.

In i.MX.RT1015, what is the power source of SJC(Secure JTAG Controller) component (especially, response comparison such as the following figure)?

(ex. DCDC_IN, SOC_IN, VDD_SNVS_IN, ...)

Daehyeon_0-1657026075537.png

 

0 Kudos
Reply
1 Solution
1,202 Views
Omar_Anguiano
NXP TechSupport
NXP TechSupport

Hello
Hope you are well.
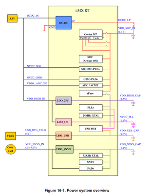
SJC is on SOC so the power source is VDD_SOC_IN:

Omar_Anguiano_0-1657218776330.png

 

If you have more questions do not hesitate to ask me.
Best regards,
Omar

View solution in original post

0 Kudos
Reply
1 Reply
1,203 Views
Omar_Anguiano
NXP TechSupport
NXP TechSupport

Hello
Hope you are well.
SJC is on SOC so the power source is VDD_SOC_IN:

Omar_Anguiano_0-1657218776330.png

 

If you have more questions do not hesitate to ask me.
Best regards,
Omar

0 Kudos
Reply