Phy 1 not found on U-Boot

cancel
Showing results for 
Show  only  | Search instead for 
Did you mean: 

Phy 1 not found on U-Boot

Jump to solution
8,357 Views
lixuhui112
Contributor I

Hallo all :

 

 

my board in enet(pg1) is the same of mx6qsabresd-AI(pg2) ,so I use the same code in my uboot of enet ,but it is error:

 

153916_153916.pngmy board enet .png

                                                                            pg1

153929_153929.pngmx6qsabreauto enet .png

                                                                  pg2

U-Boot 2015.04-14468-gd7d7c43-dirty (Jun 20 2016 - 10:23:24)

 

CPU:   Freescale i.MX6Q rev1.5 at 792 MHz

CPU:   Temperature 32 C

Reset cause: POR

Board: MX6Q-Sabreauto revA

I2C:   ready

DRAM:  1 GiB

PMIC:  PFUZE100 ID=0x10

NAND:  0 MiB

MMC:   MMC/SD: Reset never completed.

voltage not supported by controller

 

SF: Detected M25P32 with page size 256 Bytes, erase size 64 KiB, total 4 MiB

*** Warning - bad CRC, using default environment

 

No panel detected: default to Hannstar-XGA

Display: Hannstar-XGA (1024x768)

In:    serial

Out:   serial

Err:   serial

Net:   Phy 1 not found

PHY reset timed out

phy_test:test

FEC [PRIME]

Error: FEC address not set.

 

Boot from USB for mfgtools

Use default environment for                              mfgtools

Run bootcmd_mfg: run mfgtool_args;bootz ${loadaddr} ${initrd_addr} ${fdt_addr};

Hit any key to stop autoboot:  0

Bad Linux ARM zImage magic!

=>

 

 

 

 

 

Thanks

Original Attachment has been moved to: mymx6q.c.zip

Labels (1)
0 Kudos
Reply
1 Solution
7,527 Views
igorpadykov
NXP Employee
NXP Employee

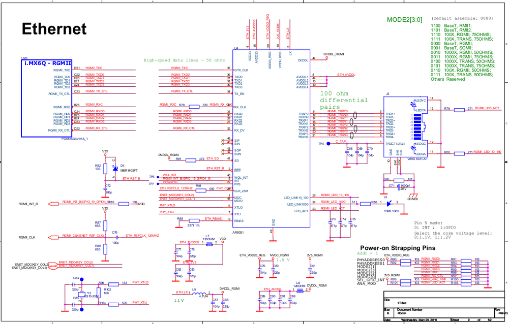
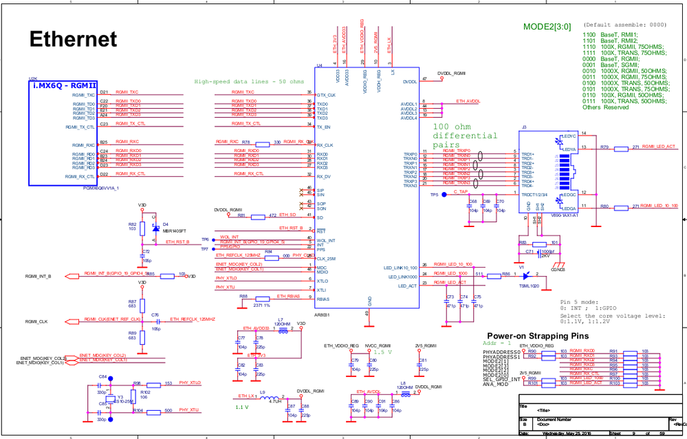
one can check if AR8031 is reset properly by ETH_RST_B

~igor

View solution in original post

0 Kudos
Reply
6 Replies
7,528 Views
igorpadykov
NXP Employee
NXP Employee

one can check if AR8031 is reset properly by ETH_RST_B

~igor

0 Kudos
Reply
7,527 Views
lixuhui112
Contributor I

Thank you very much for pointing me, According to your ideas successfully solved the problem, Thank you very much!!!

U-Boot 2015.04-14468-gd7d7c43-dirty (Jun 21 2016 - 19:23:09)

CPU:   Freescale i.MX6Q rev1.5 at 792 MHz

CPU:   Temperature 47 C

Reset cause: POR

Board: MX6Q-Sabreauto revA

I2C:   ready

DRAM:  1 GiB

PMIC:  PFUZE100 ID=0x10

MMC:   FSL_SDHC: 0

SF: Detected M25P32 with page size 256 Bytes, erase size 64 KiB, total 4 MiB

In:    serial

Out:   serial

Err:   serial

Net:   FEC [PRIME]

Boot from USB for mfgtools

Use default environment for                              mfgtools

Run bootcmd_mfg: run mfgtool_args;bootz ${loadaddr} ${initrd_addr} ${fdt_addr};

Hit any key to stop autoboot:  0

Bad Linux ARM zImage magic!

=>

0 Kudos
Reply
7,527 Views
igorpadykov
NXP Employee
NXP Employee

Hi xuhui

on mx6qsabresd-AI PHYADDRESS0,1=10, while on your schematic both 0.

In general one can also check definitions in include/configs/boardfile.h :

"#define CONFIG_FEC_MXC_PHYADDR"

and add debug codes to ../drivers/net/fec_mxc.c

Best regards

igor

-----------------------------------------------------------------------------------------------------------------------

Note: If this post answers your question, please click the Correct Answer button. Thank you!

-----------------------------------------------------------------------------------------------------------------------

0 Kudos
Reply
7,527 Views
lixuhui112
Contributor I

Hi Igorpadykov

    Thank you for your reply so quickly!with you tips,I edit the file mx6sabre_common.h

"#define CONFIG_FEC_MXC_PHYADDR     1" to #define CONFIG_FEC_MXC_PHYADDR   0"

but it is the same problem .

U-Boot 2015.04-14468-gd7d7c43-dirty (Jun 20 2016 - 18:14:59)

CPU:   Freescale i.MX6Q rev1.5 at 792 MHz

CPU:   Temperature 51 C

Reset cause: POR

Board: MX6Q-Sabreauto revA

I2C:   ready

DRAM:  1 GiB

PMIC:  PFUZE100 ID=0x10

NAND:  0 MiB

MMC:   MMC/SD: Reset never completed.

voltage not supported by controller

SF: Detected M25P32 with page size 256 Bytes, erase size 64 KiB, total 4 MiB

*** Warning - bad CRC, using default environment

No panel detected: default to Hannstar-XGA

Display: Hannstar-XGA (1024x768)

In:    serial

Out:   serial

Err:   serial

Net:   Phy 0 not found

PHY reset timed out

phy_test:test

FEC [PRIME]

Error: FEC address not set.

Boot from USB for mfgtools

Use default environment for                              mfgtools

Run bootcmd_mfg: run mfgtool_args;bootz ${loadaddr} ${initrd_addr} ${fdt_addr};

Hit any key to stop autoboot:  0

Bad Linux ARM zImage magic!

=> mii info

PHY 0x04: OUI = 0x1374, Model = 0x07, Rev = 0x04,  10baseT, HDX

=> mii dump 0 0

0.     (ffff)                 -- PHY control register --

  (8000:8000) 0.15    =     1    reset

  (4000:4000) 0.14    =     1    loopback

  (2040:2040) 0. 6,13 =   b11    speed selection = 10 Mbps

  (1000:1000) 0.12    =     1    A/N enable

  (0800:0800) 0.11    =     1    power-downThanks

  (0400:0400) 0.10    =     1    isolate

  (0200:0200) 0. 9    =     1    restart A/N

  (0100:0100) 0. 8    =     1    duplex = full

  (0080:0080) 0. 7    =     1    collision test enable

  (003f:003f) 0. 5- 0 =    63    (reserved)

=> mii dump 1 0

0.     (ffff)                 -- PHY control register --

  (8000:8000) 0.15    =     1    reset

  (4000:4000) 0.14    =     1    loopback

  (2040:2040) 0. 6,13 =   b11    speed selection = 10 Mbps

  (1000:1000) 0.12    =     1    A/N enable

  (0800:0800) 0.11    =     1    power-down

  (0400:0400) 0.10    =     1    isolate

  (0200:0200) 0. 9    =     1    restart A/N

  (0100:0100) 0. 8    =     1    duplex = full

  (0080:0080) 0. 7    =     1    collision test enable

  (003f:003f) 0. 5- 0 =    63    (reserved)

=>

I have no idea in this

Thanks

0 Kudos
Reply
7,527 Views
igorpadykov
NXP Employee
NXP Employee

from:

=> mii info

PHY 0x04:

seems address = 4

0 Kudos
Reply
7,527 Views
lixuhui112
Contributor I

I change the

define CONFIG_FEC_MXC_PHYADDR   0x04,but

U-Boot 2015.04-14468-gd7d7c43-dirty (Jun 20 2016 - 20:14:08)

CPU:   Freescale i.MX6Q rev1.5 at 792 MHz

CPU:   Temperature 49 C

Reset cause: POR

Board: MX6Q-Sabreauto revA

I2C:   ready

DRAM:  1 GiB

PMIC:  PFUZE100 ID=0x10

NAND:  0 MiB

MMC:   MMC/SD: Reset never completed.

voltage not supported by controller

SF: Detected M25P32 with page size 256 Bytes, erase size 64 KiB, total 4 MiB

No panel detected: default to Hannstar-XGA

Display: Hannstar-XGA (1024x768)

In:    serial

Out:   serial

Err:   serial

Net:   Phy 4 not found

PHY reset timed out

phy_test:test

FEC [PRIME]

Error: FEC address not set.

Boot from USB for mfgtools

Use default environment for                              mfgtools

Run bootcmd_mfg: run mfgtool_args;bootz ${loadaddr} ${initrd_addr} ${fdt_addr};

Hit any key to stop autoboot:  0

Bad Linux ARM zImage magic!

=> mii info

PHY 0x00: OUI = 0x1374, Model = 0x07, Rev = 0x04,  10baseT, HDX

=>

0 Kudos
Reply