PMIC_ON_REQ userspace acess in imx8m mini

キャンセル
次の結果を表示 
表示  限定  | 次の代わりに検索 
もしかして: 

PMIC_ON_REQ userspace acess in imx8m mini

2,516件の閲覧回数
BHAVANI_S
Contributor I

Hi ,

 

We are working on a imx8 mini based custom board with android a11. We are observing an issue where on issuing reboot -p the board is not powering off but resetting. We observed that PMIC_ON_REQ is going low for sometime and becoming high after 5-6ms.

For debugging it further, we want to know as to how can we control PMIC_ON_REQ pin from sysfs entry.
If there are any other ways to control them, it would be very helpful to know.

Thanks and Regards,

Bhavani S

0 件の賞賛
返信
8 返答(返信)

2,496件の閲覧回数
Sanket_Parekh
NXP TechSupport
NXP TechSupport

Hi @BHAVANI_S ,

I hope you are doing well.

For poweroff in imx8mm, one needs to set DP_EN and TOP bits in SNVS_LP Control Register.
This issue could be due to generating a wakeup alarm after power-down.
 
One can revert below commit in ATF to avoid this issue during poweroff or reboot -p command 
 

Thanks & Regards,
Sanket Parekh

0 件の賞賛
返信

2,491件の閲覧回数
BHAVANI_S
Contributor I

Hi @Sanket_Parekh 

The patch was not part of our ATF presently. We havent updated the latest ATF. Please can u suggest any other ways to solve this issue.

Thanks and Regards,

Bhavani S

0 件の賞賛
返信

2,450件の閲覧回数
Sanket_Parekh
NXP TechSupport
NXP TechSupport

Hi @BHAVANI_S ,

I hope you are doing well.

Please try using the poweroff command.

Alternatively, one can try setting DP_EN and TOP bits in SNVS_LP Control Register(Addr: 3037_0038h)using devmem2 utility.

Please Provide me logs( highest level) when performing power-off for further debugging.

Thanks & Regards,
Sanket Parekh

0 件の賞賛
返信

2,447件の閲覧回数
BHAVANI_S
Contributor I

Hi @Sanket_Parekh ,

We have tried to setting the TOP bits in SNVS_LP Control Register from u-boot using this command.
=>mw.b 0x30370038 0x60

Have also tried the poweroff command from u-boot. 

In both the cases the board is rebooting. 

Wanted to know if there are any hardware ways to debug the issue further.  We are using PF8121 pmic in our board and the android version android - 11.

0 件の賞賛
返信

2,421件の閲覧回数
Sanket_Parekh
NXP TechSupport
NXP TechSupport

Hi @BHAVANI_S 

I hope you are doing well.
 
Please provide me with a schematic of PMIC and i.MX8MM SOC  & ONOFF button in a custom board.
 
Please refer to the below-mentioned documents for finding aligned PMIC for specific soc.
 
Thanks & Regards,
Sanket Parekh

0 件の賞賛
返信

2,378件の閲覧回数
BHAVANI_S
Contributor I

Hi @Sanket_Parekh ,

 

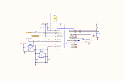
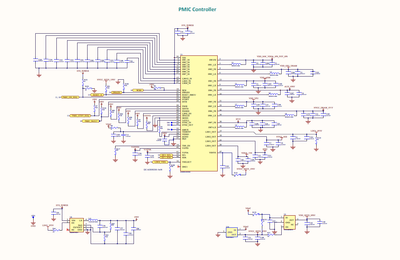
Please find the attached schematics of pmic and imx8mm.

BHAVANI_S_0-1679318586682.png

 

BHAVANI_S_2-1679318626666.png

 

BHAVANI_S_3-1679318633316.png

 

Thanks and Regards,

Bhavani S

 

0 件の賞賛
返信

2,352件の閲覧回数
Sanket_Parekh
NXP TechSupport
NXP TechSupport

Hi @BHAVANI_S ,

I hope you are doing well.

Currently, I am reviewing the schematics sent by you.

I will update you once done

 
Thanks & Regards,
Sanket Parekh
0 件の賞賛
返信

2,290件の閲覧回数
Sanket_Parekh
NXP TechSupport
NXP TechSupport
 
I hope you are doing well.
 
All NXP-maintained repositories have migrated to NXP Github.
 
All source code repos that were available at https://source.codeaurora.org/external/imx/  can be found at nxp-imx
 
Android source code can be downloaded from Android OS for i.MX Applications Processors
 

Various AOSP framework repos can be found at nxp-imx-android

 
Thanks & Regards,
Sanket Parekh

0 件の賞賛
返信