MCIMX8QM-CPU - M.2 Connector type

cancel
Showing results for 
Show  only  | Search instead for 
Did you mean: 

MCIMX8QM-CPU - M.2 Connector type

830 Views
GMV
Contributor I

Hello,

I've recently acquired a MCIMX8QM-CPU (i.MX 8 QM MEK CPU) board.In our use case, we need to connect to the board's M.2 connector, and for that we are using a M2 to USB adapter. However, the documentation does not specify which kind of M2 connector this board has, and the adapter we acquired (M2 type B to USB) does not fit the connector in this port.

Could anyone specify which type of M2 connector this board has? It would make buying the right adapter much easier for us.

 

Best Regards,

João Louro

0 Kudos
Reply
1 Reply

813 Views
joanxie
NXP TechSupport
NXP TechSupport

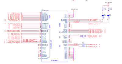
you can download the imx8qm mek board schematic to get more detailed information, I attached M.2 connector on cpu board part

joanxie_0-1616474466071.png

"https://www.nxp.com/design/development-boards/i-mx-evaluation-and-development-boards/i-mx-8quadmax-m..."

 

0 Kudos
Reply