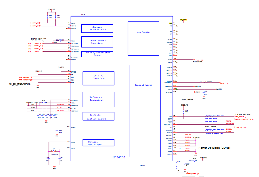
MC34708 VBUS pin

キャンセル
次の結果を表示 
表示  限定  | 次の代わりに検索 
もしかして: 
2,494件の閲覧回数
ericmar81
Contributor II

Hi,

May I know what is the use of this VBUS pin from theMC34708?

pastedImage_2.png

When I refer to the reference design of the i.MX53 Quick Start Board, it is connected to the External 5V USB power. Must I connect this pin like the reference design or I can leave it floating and not connected?

Thanks & regards,

Eric

ラベル(1)
タグ(2)
1 解決策
2,345件の閲覧回数
Yuri
NXP Employee
NXP Employee

  MC34708 VBUS  can serve as input for USB connect detection and as OTG supply
output. It may be recommended to follow the reference design, since during power up

VUSB regulator is only enabled if 5.0 V is present on VBUS (by default VUSB will be
supplied by VBUS). In this sense the VBUS may be considered as one of MC34708
power suppliers.


Have a great day,
Yuri

-----------------------------------------------------------------------------------------------------------------------
Note: If this post answers your question, please click the Correct Answer button. Thank you!
-----------------------------------------------------------------------------------------------------------------------

元の投稿で解決策を見る

0 件の賞賛
返信
5 返答(返信)
2,346件の閲覧回数
Yuri
NXP Employee
NXP Employee

  MC34708 VBUS  can serve as input for USB connect detection and as OTG supply
output. It may be recommended to follow the reference design, since during power up

VUSB regulator is only enabled if 5.0 V is present on VBUS (by default VUSB will be
supplied by VBUS). In this sense the VBUS may be considered as one of MC34708
power suppliers.


Have a great day,
Yuri

-----------------------------------------------------------------------------------------------------------------------
Note: If this post answers your question, please click the Correct Answer button. Thank you!
-----------------------------------------------------------------------------------------------------------------------

0 件の賞賛
返信
2,345件の閲覧回数
ericmar81
Contributor II

Yuri,

You were saying "During power up VUSB regulator is only enabled if 5.0 V is present on VBUS".

If the VBUS is connected to External 5V USB power and there is  no USB host connected to the USB connector, does it mean VUSB regulator will not be enabled?

I did a measurement on my board and I found that even when no USB host is connected (i.e. VBUS is not supplied with 5V), the VUSB will still be outputting 3V3 after a while. Is this correct?

I did also try not to connect VBUS to the External 5V USB power, the board is still functioning properly. I just want to be clear on this to see if it is really necessary to connect up the VBUS pin or we can just leave it floating.


Thanks.


Eric

0 件の賞賛
返信
2,345件の閲覧回数
Yuri
NXP Employee
NXP Employee

  A problem of proper power up sequence of i.MX53 may take place, if MC34708 VUSB regulator
is used to supply the i.MX53.

Regards,

Yuri.

0 件の賞賛
返信
2,345件の閲覧回数
ericmar81
Contributor II

Hi Yuri,

In such case, I suppose there is no need to connect VBUS to External 5V USB power, right?

If the VBUS is not connected to External 5V USB power, the VUSB regulator will rely on the VINUSB, right?


Thanks & regards,

Eric

0 件の賞賛
返信
2,345件の閲覧回数
Yuri
NXP Employee
NXP Employee

Correct.

Regards,

Yuri.