Hi all, hope this email finds you well, I'm trying to develop a custom board using IMXRT1021DAG, this board has an ethernet interface based on the same ethernet interface of the EVK.
In fact I'm using the same PHY KSZ8081RNB, and the circuit is almost the same of the EVK too (I didn't put the pull ups resistors on the analog side because those are implemented inside the PHY):

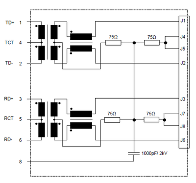
The only difference is the RJ45 connector, I'm using Thru hole (WURSHT 7499010211A) against the SMD of the EVK, just for robustness, but the internal transformers and parameters are the same:

I'm using an example of the SDK that allow me to test the interface sending frames and then reading them back, using a loopback cable connected to the RJ45 that is working perfectly on EVK.
Problem: The test is not working on my board, the PHY doesn't send any frame to the analog side (RJ45 side).
I know that the communication between the MAC (IMXRT1021) and PHY is ok because I can do a digital loopback test (available on KSZ8081RNB to test RMII communication).
I tried to test doing the following connection too:

My board receive all the frames, sent from EVK, in right way, but in the moment of transmiting from custom board to EVK, the MAC send information over RMII channel but PHY doesn't send any frame to the other side.
I've checked the PCB, the components, the routing of RJ45 is similar to EVK, keeping differential pairs togueter and impedance low 100Ohm.
I really don't understand what is happening, any idea would be very appreciated.
Many thanks.