IMX6ULL- DDR3 2lot x8bit

cancel
Showing results for 
Show  only  | Search instead for 
Did you mean: 

IMX6ULL- DDR3 2lot x8bit

3,627 Views
duyhai
Contributor II

i am designing iMX6ULL with 2slot 512Mbx8. Can the NXP team help me with the schematic?

duyhai_0-1686645185835.png

 

0 Kudos
Reply
7 Replies

3,626 Views
duyhai
Contributor II

duyhai_0-1686645242549.png

duyhai_1-1686645267862.png

 

0 Kudos
Reply

3,617 Views
riteshmpatel
NXP TechSupport
NXP TechSupport

Hi @duyhai,

I hope you are doing well.

Please share the schematic pdf for review since the image is not properly visible.

Thanks & Regards,
Ritesh M Patel

0 Kudos
Reply

3,558 Views
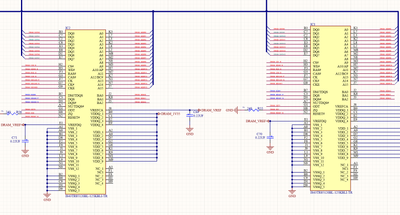
duyhai
Contributor II

this is my design

0 Kudos
Reply

3,482 Views
riteshmpatel
NXP TechSupport
NXP TechSupport

Hi @duyhai,

The DDR3L schematic section seems okay.

Thanks & Regards,
Ritesh M Patel

0 Kudos
Reply

3,392 Views
duyhai
Contributor II

thank you!

I want to swap datastream, how should I configure in kernel?

0 Kudos
Reply

3,388 Views
riteshmpatel
NXP TechSupport
NXP TechSupport

Hi @duyhai,

I request you to please raise a new ticket for your additional queries.

Thanks & Regards,
Ritesh M Patel

0 Kudos
Reply

3,561 Views
duyhai
Contributor II

file:///G:/02.WORKING/3.DICOM/01.DOCUMENT/01.HARDWARE/3-ICS/02.%20NAVCOM/01.NAVCOM_2050PB/01.%20Thiet_ke/NAVCOM_2050PB/NAVCOM_2050PB.pdf

0 Kudos
Reply