How to generate PWM signal on iMX8ULP?

キャンセル
次の結果を表示 
表示  限定  | 次の代わりに検索 
もしかして: 

How to generate PWM signal on iMX8ULP?

ソリューションへジャンプ
7,183件の閲覧回数
wendy-liu
Contributor II

Dear all,

    I found tpm5 device node in imx8ulp.dtsi, I enable it.

    I chose PTF19 (J20 pin3) to generate PWM signal.

image.png

   But I can't fing anything under sysfs,such as /sys/class/tpm or /sys/class/pwm/.I use oscilloscope to measure it waveform , and it keeps outputting a high-level signal.

   My dts ,config, log are as below.

    Hope your reply!Thanks a lot!

Best Regards!

ラベル(1)
0 件の賞賛
返信
1 解決策
7,021件の閲覧回数
Zhiming_Liu
NXP TechSupport
NXP TechSupport

Hello,

Do you solve this issue? I see you have another case about other TPMs clock issue, the TPM clock is generated in ATF: plat/imx/imx8ulp/imx8ulp_bl31_setup.c

	/* config the TPM5 clock */
	mmio_write_32(IMX_PCC3_BASE + 0xd0, 0x92000000);
	mmio_write_32(IMX_PCC3_BASE + 0xd0, 0xd2000000);



Best Regards,
Zhiming

元の投稿で解決策を見る

0 件の賞賛
返信
20 返答(返信)
6,609件の閲覧回数
wendy-liu
Contributor II

Hello!

Here are some updates  I'd like to share with you.

Fortunately, I enable TPM7 CH5(PTF25) successfully, but there is no output waveform.

my device node  :

+tpm7: tpm@29830000 {
+ //compatible = "fsl,imx8ulp-tpm", "fsl,imx7ulp-tpm";
+ compatible = "fsl,imx7ulp-pwm";
+ reg = <0x29830000 0x10000>;
+ //interrupts = <GIC_SPI 87 IRQ_TYPE_LEVEL_HIGH>;
+ clocks = <&pcc4 IMX8ULP_CLK_TPM7>, <&pcc4 IMX8ULP_CLK_TPM7>;
+ assigned-clocks = <&pcc4 IMX8ULP_CLK_TPM7>;
+ assigned-clock-parents = <&cgc1 IMX8ULP_CLK_FROSC_DIV2>;
+ //assigned-clock-rates = <48000000>;
+ //clock-names = "ipg", "per";
+ status = "okay";
+};

+&tpm7 {
+ pinctrl-names = "default";
+ pinctrl-0 = <&pinctrl_tpm7>;
+ #pwm-cells = <3>;
+};

pinctrl_tpm7: tpm7grp {
                fsl,pins = <
                        MX8ULP_PAD_PTF25__TPM7_CH5      0x2
                >;
};
 
my commands :
root@imx8ulp-lpddr4-evk:/sys/class/pwm/pwmchip8# echo 5 > export
root@imx8ulp-lpddr4-evk:/sys/class/pwm/pwmchip8# cd pwm5/
root@imx8ulp-lpddr4-evk:/sys/class/pwm/pwmchip8/pwm5# echo 400000 > period
root@imx8ulp-lpddr4-evk:/sys/class/pwm/pwmchip8/pwm5# echo 200000 > duty_cycle
root@imx8ulp-lpddr4-evk:/sys/class/pwm/pwmchip8/pwm5# echo 1 > enable
root@imx8ulp-lpddr4-evk:/sys/class/pwm/pwmchip8/pwm5#
0 件の賞賛
返信
6,604件の閲覧回数
Zhiming_Liu
NXP TechSupport
NXP TechSupport

Hello,

Do you solve this issue? I just get notification from system, you can add more print in the pwm driver to check if the hardware status.


Best Regards,
Zhiming

0 件の賞賛
返信
6,535件の閲覧回数
wendy-liu
Contributor II

yes, I have been solved! Thanks a lot!

0 件の賞賛
返信
7,116件の閲覧回数
wendy-liu
Contributor II

Could you test it on iMX8ULP-evk board?

0 件の賞賛
返信
7,111件の閲覧回数
Zhiming_Liu
NXP TechSupport
NXP TechSupport

Sure

0 件の賞賛
返信
7,109件の閲覧回数
wendy-liu
Contributor II

Looking forward to your reply!Thank you very much!

Best Regards!

0 件の賞賛
返信
7,022件の閲覧回数
Zhiming_Liu
NXP TechSupport
NXP TechSupport

Hello,

Do you solve this issue? I see you have another case about other TPMs clock issue, the TPM clock is generated in ATF: plat/imx/imx8ulp/imx8ulp_bl31_setup.c

	/* config the TPM5 clock */
	mmio_write_32(IMX_PCC3_BASE + 0xd0, 0x92000000);
	mmio_write_32(IMX_PCC3_BASE + 0xd0, 0xd2000000);



Best Regards,
Zhiming

0 件の賞賛
返信
6,612件の閲覧回数
wendy-liu
Contributor II

Hello , pwm signal of TPM5 CH0 is successfully generated!

Now , I'm facing another problem...I successfully enable pwm signal of TPM7 CH5(PTF25), but there is no output waveform

 

tpm7: tpm@29830000 {
//compatible = "fsl,imx8ulp-tpm", "fsl,imx7ulp-tpm";
compatible = "fsl,imx7ulp-pwm";
reg = <0x29830000 0x10000>;
//interrupts = <GIC_SPI 87 IRQ_TYPE_LEVEL_HIGH>;
clocks = <&pcc4 IMX8ULP_CLK_TPM7>, <&pcc4 IMX8ULP_CLK_TPM7>;
assigned-clocks = <&pcc4 IMX8ULP_CLK_TPM7>;
assigned-clock-parents = <&cgc1 IMX8ULP_CLK_FROSC_DIV2>;
//assigned-clock-rates = <48000000>;
//clock-names = "ipg", "per";
status = "okay";
};

&tpm7 {
pinctrl-names = "default";
pinctrl-0 = <&pinctrl_tpm7>;
#pwm-cells = <3>;
};

pinctrl_tpm7: tpm7grp {
fsl,pins = <
MX8ULP_PAD_PTF25__TPM7_CH5 0x2
>;
};

root@imx8ulp-lpddr4-evk:/sys/class/pwm/pwmchip8/pwm5# echo 400000 > period
root@imx8ulp-lpddr4-evk:/sys/class/pwm/pwmchip8/pwm5# echo 200000 > duty_cycle
root@imx8ulp-lpddr4-evk:/sys/class/pwm/pwmchip8/pwm5# echo 1 > enable

0 件の賞賛
返信
7,157件の閲覧回数
Zhiming_Liu
NXP TechSupport
NXP TechSupport

Hello,

The EVK dts also use tpm5 , can you try the 0x57e pinctrl value?

	pinctrl_tpm5: tpm5grp {
		fsl,pins = <
			MX93_PAD_GPIO_IO06__TPM5_CH0		0x57e
		>;
	};



Best Regards,
Zhiming

0 件の賞賛
返信
7,152件の閲覧回数
wendy-liu
Contributor II

@Zhiming_Liu 

Thanks for your advice.I tried it, But it doesn't work.......

0 件の賞賛
返信
7,148件の閲覧回数
Zhiming_Liu
NXP TechSupport
NXP TechSupport

Hello,

Please comment these two lines and try again.

 

cs-gpios = <&gpiof 19 GPIO_ACTIVE_LOW>;

MX8ULP_PAD_PTF19__PTF19 0x43



Best Regards,
Zhiming

0 件の賞賛
返信
7,143件の閲覧回数
wendy-liu
Contributor II

@Zhiming_Liu 

sorry, i did't see "these two lines".

Could you send me again? I will try it!

0 件の賞賛
返信
7,140件の閲覧回数
Zhiming_Liu
NXP TechSupport
NXP TechSupport

updated

0 件の賞賛
返信
7,135件の閲覧回数
wendy-liu
Contributor II

sorry, it also did't work

0 件の賞賛
返信
7,130件の閲覧回数
Zhiming_Liu
NXP TechSupport
NXP TechSupport

Hello,

1. The default dtsi tpm node is using tpm timer driver and there is no pwm driver using tpm. That's why you can't see the /sys/class/pwm

 

2.To use pwm tpm driver, you need modify dtsi like this:

			tpm5: tpm@29340000 {
				compatible = "fsl,imx7ulp-pwm";
				reg = <0x29340000 0x1000>;
				// interrupts = <GIC_SPI 87 IRQ_TYPE_LEVEL_HIGH>;
				clocks = <&sosc>, <&sosc>;
				// clock-names = "ipg", "per";
				#pwm-cells = <3>;
				status = "okay";
			};

3. I can see pwm  node after modifing it.

root@imx8ulpevk:/sys/class/pwm/pwmchip0/device/of_node# cat compatible
fsl,imx7ulp-pwmroot@imx8ulpevk:/sys/class/pwm/pwmchip0/device/of_node#


Best Regards,
Zhiming

0 件の賞賛
返信
7,126件の閲覧回数
wendy-liu
Contributor II

wow, after modifying it, i can control duty_circle and period under sysfs.

But I measure it waveform , it still keeps outputting a high-level signal.

0 件の賞賛
返信
7,124件の閲覧回数
Zhiming_Liu
NXP TechSupport
NXP TechSupport

Hello,

Where is your test point on evk?


Best Regards,
Zhiming

0 件の賞賛
返信
7,122件の閲覧回数
wendy-liu
Contributor II

PTF19 (J20 pin3)

pinctrl_tpm5: tpm5grp {
        fsl,pins = <
                 MX8ULP_PAD_PTF19__TPM5_CH0 0x19e
        >;
};

0 件の賞賛
返信
7,119件の閲覧回数
Zhiming_Liu
NXP TechSupport
NXP TechSupport

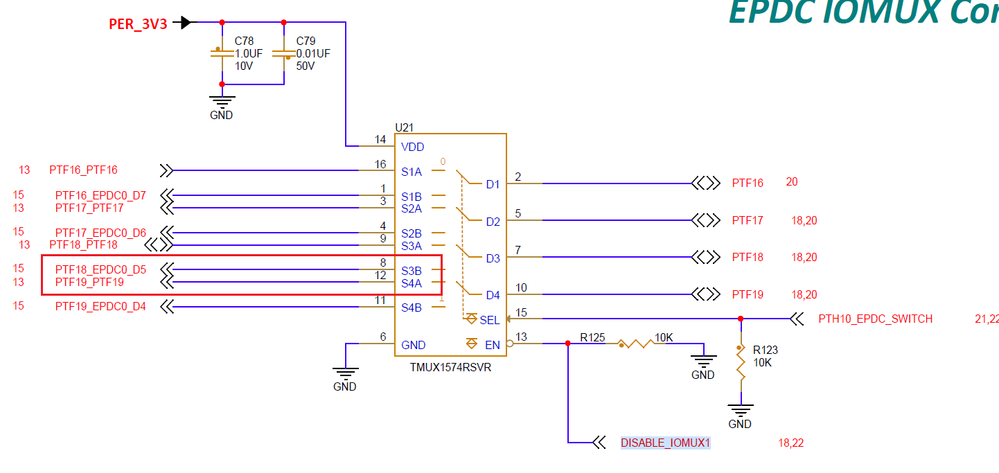
Hello,

The signal from PTF19 is muxed to EPDC_D4 or PTF19_PTF19

 

 

image (1).png

 

Try to include below line in tpm5 node.

pinctrl-assert-gpios = <&pca6416_1 10 GPIO_ACTIVE_LOW>;



Best Regards,
Zhiming

0 件の賞賛
返信
7,117件の閲覧回数
wendy-liu
Contributor II

Thanks for your helping!But it still doesn't work(T_T)

0 件の賞賛
返信