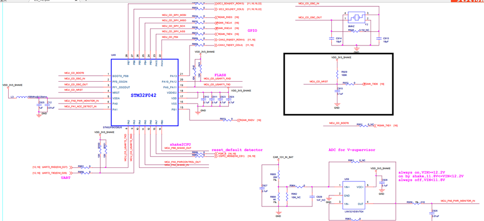
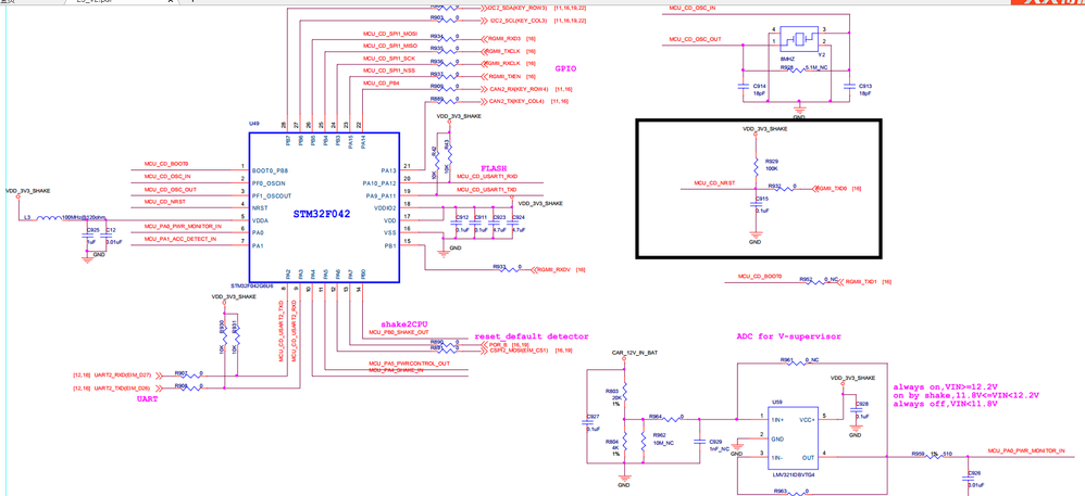
HI,
Now I use my imx6q-board for car production,I add a mcu-STM32F042G6U6 connecting to IMX6Q to monitor the car's battery power in for my board.The mcu's NRST pin connects to IMX6Q'S io,Now when MCU power off the IMX6Q,then MCU also be disturbed and outputs wrong signal,it maybe come from the effect of imx6q's pin when it is powering off.
when it occurs,the NRST signal-R932 some times drop to 2.2V suddenly then rise up to 3.3v,some times keep all 3.3V right status.
So,what can I do for solving the problem? I want to know how to do to solve the disturb of imx6q and mcu?
Following is sch,Thanks.


