How to design in schematic for BSDL test?

cancel
Showing results for 
Show  only  | Search instead for 
Did you mean: 

How to design in schematic for BSDL test?

1,607 Views
翔李
Contributor IV

HI

Now,I want to design the board to suit for the soldering test of volume-produce of IMX6D production,just like 

  • Open circuit

  • short circuit

  • virtual welding

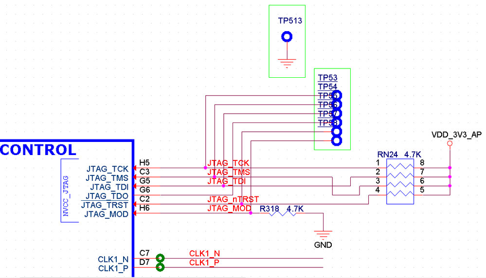
As I know,I add test point on JTAG_MOD,TCK,TDI,TDO,TMS,TRST,BOOT_MODE01,POR, and Is it right as my follow sch? 

how to design with the power supplies pin of PCIE SATA LVDS,DSI?

How to test DDR IC and others,for example,ADC,DCDC,EMMC,ST-MCU?

pastedImage_4.png

pastedImage_2.pngpastedImage_3.png

pastedImage_1.png

pastedImage_5.png

 

2 Replies

1,498 Views
igorpadykov
NXP Employee
NXP Employee

Hi 翔李

for bsdl test JTAG_MOD should be high level, PCIE_VP, PCIE_VPH, PCIE_VPTX,

SATA_VP, SATA_VPH should be powered as suggested in Hardware Guide.

I am not aware of procedures or additional documentation regarding bsdl testing of

various peripherals. Seems customer should implement necessary module timings himself,

based on datasheet requirements.

Best regards
igor
-----------------------------------------------------------------------------------------------------------------------
Note: If this post answers your question, please click the Correct Answer button. Thank you!
-----------------------------------------------------------------------------------------------------------------------

1,498 Views
翔李
Contributor IV

Thanks.

0 Kudos
Reply