Ethernet ENET_REF_CLK in RMII mode.

キャンセル
次の結果を表示 
表示  限定  | 次の代わりに検索 
もしかして: 

Ethernet ENET_REF_CLK in RMII mode.

9,887件の閲覧回数
rameshasp
Contributor IV

@Igor

Dear sir,

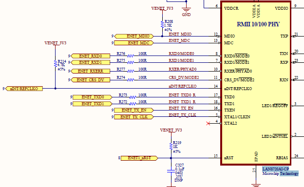
We are using Processor dual lite part number MCIMX6U6AVM10AD  ball pin V22 (ENET_REF_CLK) connected to PHY (RMII)LAN8720AI-CP pin 5 XTAL1/CLKIN 

Is the pin Enet_ref_clk (ball no V22) can be used as Enet_tx_clk for RMII mode?

I have attached the Pin configuration of Processor and PHY side.

please give quick suggestion.

Thanks & Regards,

Ramesha S P

ラベル(1)
タグ(1)
0 件の賞賛
返信
5 返答(返信)

9,468件の閲覧回数
igorpadykov
NXP Employee
NXP Employee

Hi Ramesha

rmii clocks are well described on

https://community.nxp.com/thread/304346?commentID=331971#comment-331971 

seems ball V22 (ENET_REF_CLK) could be used only for rgmii mode.

Best regards
igor
-----------------------------------------------------------------------------------------------------------------------
Note: If this post answers your question, please click the Correct Answer button. Thank you!
-----------------------------------------------------------------------------------------------------------------------

0 件の賞賛
返信

9,468件の閲覧回数
rameshasp
Contributor IV

Thanks for the reply,

Is there any way to Ethernet up in our design which i have attached in the above comments,

Regards,

Ramesha S P

0 件の賞賛
返信

9,468件の閲覧回数
igorpadykov
NXP Employee
NXP Employee

V22 is not used in rmii mode. Signal ENET_REF_CLK (not pad

with name "ENET_REF_CLK") should be used - it is provided from

balls RGMII_TX_CTL or GPIO_16. Please look for more details in

i.MX6 System Development User’s Guide

https://www.nxp.com/docs/en/user-guide/IMX6DQ6SDLHDG.pdf

Best regards
igor

0 件の賞賛
返信

9,469件の閲覧回数
rameshasp
Contributor IV

+adding in the loop.

FYI,

Regards,

Ramesha S P

0 件の賞賛
返信

9,469件の閲覧回数
rameshasp
Contributor IV

Hello sir,

processor.PNGPHY.PNG

Please see the above ENET_REF_CLK from the processor to PHY PIN 5(XTAL1/CLKIN).

Its urgent please reply quickly

Thanks & Regards,

Ramesha S P

0 件の賞賛
返信