HI @dhruvinrajpura!
Thank you for contacting NXP Support!
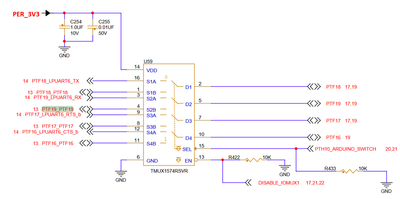
Your TPM configuration looks good, however the PTF19 is muxed externally.

To use that pin in the Arduino header you should add the next property to the TPM node:
pinctrl-assert-gpios = <&pca6416_1 10 GPIO_ACTIVE_HIGH>;
and additionally I recommend to disable the LPUART6.
in imx8ulp-evk.dts you should do the next change:
&lpuart6 {
/* BT */
pinctrl-names = "default", "sleep";
pinctrl-0 = <&pinctrl_lpuart6>;
pinctrl-1 = <&pinctrl_lpuart6>;
- status = "okay";
+ status = "disabled";
bluetooth {
compatible = "nxp,88w8987-bt";
};
};
and delete the lpuart6 node in imx8ulp-9x9-evk.dts
&lpspi5 { /* conflict with lpuart6 PAD_PTF16-19 */
status = "disabled";
};
- &lpuart6 {
- pinctrl-assert-gpios = <&pca6416_1 10 GPIO_ACTIVE_LOW>;
- };
after that additional changes you can see the output in the Arduino Header.
The PWM signal is on pin 22 of the M.2 connector with your current configuration.

Best Regards!
Chavira