Checking Clock's configuration of IMX28

取消
显示结果 
显示  仅  | 搜索替代 
您的意思是: 

Checking Clock's configuration of IMX28

1,384 次查看
alexisfuentes
Contributor I

Hello everyone,

We are developing an application where we need to know well how the clock's should be configured in IMX28 processor.

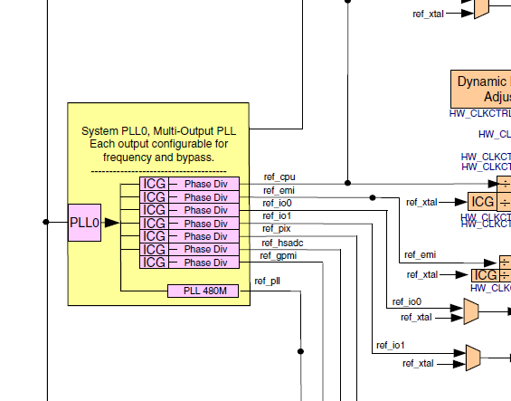
We have checked the Clock's diagram and we don't know how the " System PLL0, Multi-Output PLL" is configured or how configure it. 

Our main question is: what is the value before each "ICG-PHASE DIV", and what is the output value of each output (ref_cpu,ref_emi,etc).

Could someone help us?

Thank you.

pastedImage_0.png

标签 (1)
标记 (3)
0 项奖励
回复
2 回复数

1,303 次查看
igorpadykov
NXP Employee
NXP Employee

Hi Alexis

PLL0 is 480 MHz, as described in sect.10.8.1 System PLL0,

System/USB0 PLL Control Register 0 (HW_CLKCTRL_PLL0CTRL0) i.MX28 RM.

Examples of PLL configurations can be found in i.MX28 obds

Lab and Test Software (1)

"IMX_OBDS  : On-Board Diagnostic Suit for the i.MX28"

http://www.freescale.com/webapp/sps/site/prod_summary.jsp?code=MCIMX28EVKJ&fpsp=1&tab=Design_Tools_T...

Best regards

igor

-----------------------------------------------------------------------------------------------------------------------

Note: If this post answers your question, please click the Correct Answer button. Thank you!

-----------------------------------------------------------------------------------------------------------------------

0 项奖励
回复

1,303 次查看
alexisfuentes
Contributor I

Hi Igor,

Thank you for your reply, but we have already checked these sections and we haven't resolved our doubts. We still unknowing the behaviour inside  the "System PLL0, Multi-Output PLL" and what value have the outputs ref_cpu, ref_emi, etc..

Thanks for everithing.

0 项奖励
回复