Assistance Required for LVDS Display Issue on Custom i.MX 93 Board

キャンセル
次の結果を表示 
表示  限定  | 次の代わりに検索 
もしかして: 

Assistance Required for LVDS Display Issue on Custom i.MX 93 Board

1,101件の閲覧回数
Embedded-world
Contributor IV


Dear Experts,

I am working on a custom i.MX 93 board with an LVDS display.

But, the LVDS device does not seem to be functioning correctly, as indicated by the following message:
Screenshot 2025-02-05 123852.png

Moreover, the brightness node cannot be found in the lvds_backlight node:
Screenshot 2025-02-05 124633.png

Below is the LVDS device tree configuration for our board:

----------------------------------------------------------------------------------------
lvds_backlight: lvds_backlight {
compatible = "pwm-backlight";
// pwms = <&adp5585pwm 0 100000 0>;
pwms = <&tpm3 0 100000 0>;
enable-gpios = <&gpio2 24 GPIO_ACTIVE_HIGH>;
power-supply = <&reg_vdd_12v>;
status = "okay";
 
brightness-levels = < 0  1  2  3  4  5  6  7  8  9
     10 11 12 13 14 15 16 17 18 19
     20 21 22 23 24 25 26 27 28 29
     30 31 32 33 34 35 36 37 38 39
     40 41 42 43 44 45 46 47 48 49
     50 51 52 53 54 55 56 57 58 59
     60 61 62 63 64 65 66 67 68 69
     70 71 72 73 74 75 76 77 78 79
     80 81 82 83 84 85 86 87 88 89
     90 91 92 93 94 95 96 97 98 99
    100>;
    
default-brightness-level = <80>;
};
 
lvds_panel  {
status = "okay";
backlight = <&lvds_backlight>;
//compatible = "boe,ev121wxm-n10-1850";
compatible = "panel-lvds"; 
data-mapping = "jeida-24";
width-mm = <124>;
height-mm = <80>;
 
panel-timing {
clock-frequency = <25000000>;
hactive = <800>;
vactive = <480>;
hfront-porch = <8>;
hback-porch = <8>;
hsync-len = <1>;
vback-porch = <8>;
vfront-porch = <8>;
vsync-len = <1>;
hsync-active = <0>;
vsync-active = <0>;
pixelclk-active = <0>;
};
 
port {
panel_lvds_in: endpoint {
remote-endpoint = <&lvds_out>;
};
};
};
 
&tpm3 {
pinctrl-names = "default";
pinctrl-0 = <&pinctrl_tpm3>;
status = "okay";
};
 
&ldb {
status = "okay";
 
lvds-channel@0 {
status = "okay";
 
port@1 {
reg = <1>;
 
lvds_out: endpoint {
remote-endpoint = <&panel_lvds_in>;
};
};
};
};
 
&ldb_phy {
status = "okay";
};
 
&lcdif {
status = "okay";
        /* assigned-clock-rates = <484000000>, <121000000>, <400000000>, <133333333>; */
assigned-clock-rates = <498000000>, <71142857>, <400000000>, <133333333>; 
};
 
&dphy {
status = "disabled";
};
 
&dsi {
status = "disabled";
};
 
&iomuxc {
 
pinctrl_tpm3: tpm3grp {
fsl,pins = <
        MX93_PAD_GPIO_IO24__TPM3_CH3                    0x19e
>;
};

-----------------------------------------------------------------------------------

Could you please help resolve this issue? Your assistance would be greatly appreciated.

Thanks in advance.

Best Regards,

Ravikumar

0 件の賞賛
返信
4 返答(返信)

1,065件の閲覧回数
Embedded-world
Contributor IV

Hi Alejandro_Salas,

I'm currently using Kernel Version 6.6.52-2.2.0 and compiling all images using the Yocto Project resources [ https://github.com/nxp-imx/meta-imx/tree/scarthgap-6.6.52-2.2.0 ] from this repository.

This is my first time working on LVDS display integration with a custom IMX93 board. already resolved almost all the previous errors mentioned in earlier posts. but I am still facing the following errors:

image (2).png

I've referred to multiple documents related to LVDS display integration and analyzed the IMX8M Plus reference .dts file. I have made changes according to the LVDS display datasheet, but I am still facing DRM and LCD controller errors.

Can someone guide me on the necessary Device Tree (DTS) modifications or any additional kernel configurations I might be missing?

Our board’s DTS file: https://drive.google.com/file/d/11fOvV4iwWO78he2PFxgs7VBPVcuA6JqJ/view?usp=drive_link

Any suggestions or guidance would be greatly appreciated.



Thanks & Regards,
Ravikumar 

0 件の賞賛
返信

1,052件の閲覧回数
Manuel_Salas
NXP TechSupport
NXP TechSupport

Hello, 

 

I am not sure about your LVDS panel, maybe it is a generic panel, but if possible, please share schematic related to the connections to LVDS panel.

I could see you referred to imx93-11x11-boe-wxga-lvds-panel.dts

In your device tree, I could see you have the back-light node as simple GPIO, why not TPM or an external PWM module? 

Please clarify.

 

Best regards,

Salas. 

0 件の賞賛
返信

1,031件の閲覧回数
Embedded-world
Contributor IV

Hi Alejandro_Salas,

We're using a generic LVDS panel display & have referred to the imx93-11x11-boe-wxga-lvds-panel.dts file also for configuration. moreover we're not using an any of the external PWM module. We've attempted both methods—configuring the TPM & utilizing the internal PWM—yet we continue to encounter the same LCD control error:

"Failed to create device link <0x180> with 4ae30000.lcd controller. & lcd controller"

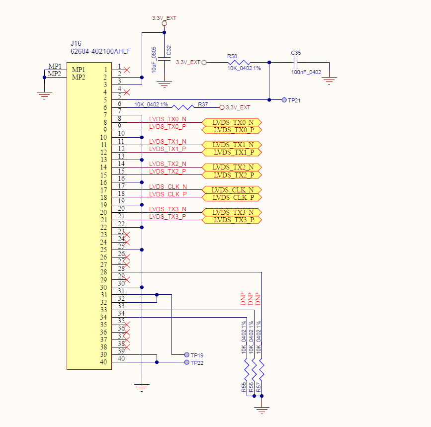
For reference, please find attached the LVDS display schematic section.

Screenshot 2025-02-07 144146.png

We would appreciate any insights or guidance in resolving this issue. Looking forward to a positive response.




Thanks & Regards,
Ravikumar

0 件の賞賛
返信

1,081件の閲覧回数
Manuel_Salas
NXP TechSupport
NXP TechSupport

Hello @Embedded-world 

 

I hope you are doing very well.

Could you please clarify the kernel version and how you compiled your custom image?

 

Thank you.

 

Best regards,

Salas.

0 件の賞賛
返信