Hi, dear Sir/Madam
I have used KW38 on my board. The 32MHz oscilator didn't work after booting. After switching to FEE mode by setting MCG_C1->CLKS as 00 and MCG_C1->IREFS as 0,the MCG_S->IREFST will keep high and not be set as 0 as expected,thus the mode Switching fails and stuck in the while loop.
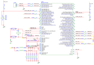
The schemetic of KW38 is the following picture. The components which have the "*" value are DNP components.

I am sure the oscilator is well, because I have put it on the Freedom board. Ant it worked well. It's like something wrong with my hardware. But I can't find it. Could you help me fix it.
Thanks!