Hello , I am Aditya S and in my application I use MPR121 interfaced with PIC via i2c . The MPR121 is further interfaced with touchboard to take touch input and give led output .I have observed that the touch board hangs in the middle ( led states remain s

cancel
Showing results for 
Show  only  | Search instead for 
Did you mean: 

Hello , I am Aditya S and in my application I use MPR121 interfaced with PIC via i2c . The MPR121 is further interfaced with touchboard to take touch input and give led output .I have observed that the touch board hangs in the middle ( led states remain s

1,361 Views
aditya_suripedd
Contributor I

Hello ,

I am Aditya S and in my application I use MPR121 interfaced with PIC via i2c . The MPR121 is further interfaced with touchboard to take touch input and give led output .I have observed that the touch board hangs in the middle ( led states remain same and touch is non responsive ) and when watch dog timer reset occurs in the PIC the leds driven by MPR121 on touch board are NOT turning off . I would like to know if the MPR121 might have hanged .

Rough schematic :-

   

      ..............................                ................................                      ...................................

    |                              | <.... 1 >   |                               |   <...3>         |                                  |

        touch plate                                  mpr121                                             PIC

    |                              |  <.....2>   |                               |   <...4>         |                                  |

     ..............................                .................................                       ....................................

    

1. Touch input from touch plate to mpr121

2. GPIO leds on touch plate to indicate on / off

3. I2C lines b/w PIC and mpr121

4. Used to raise hardware interrupt upon touch on PIC by mpr121

Regards ,

Aditya S

Labels (1)
0 Kudos
Reply
1 Reply

903 Views
reyes
NXP TechSupport
NXP TechSupport

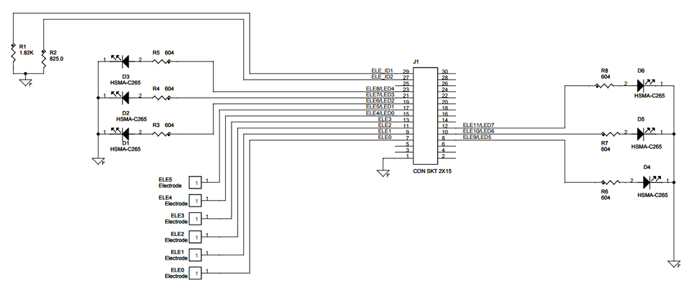
Hi Aditya S,

If I understand correctly your “touch board” should be something like this:

6 electrodes - 6 leds.png

Where you have the electrodes and the LEDs on the same board, correct?

MPR121 has 8 GPIO ports with LED driver capability. The GPIO and LED driver function can be used when not all the 12 input sensing channels are occupied for touch sensing detection, which is made possible by internal multiplexed pin structure.

I recommend you to take a look at the Application Note AN3894 which explains how to use the MPR121 GPIO and LED driver Function.


Have a great day,
Jose Reyes

-----------------------------------------------------------------------------------------------------------------------
Note: If this post answers your question, please click the Correct Answer button. Thank you!
-----------------------------------------------------------------------------------------------------------------------

0 Kudos
Reply