8652 pinout orientation

キャンセル
次の結果を表示 
表示  限定  | 次の代わりに検索 
もしかして: 

8652 pinout orientation

ソリューションへジャンプ
1,885件の閲覧回数
petrus6432
Contributor II

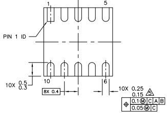
Hi, I would like to be sure about MMA8652 mounting pinout. My sensor has a line and a "652 2YR" marking below.

Looking this, pin 1 is on the top left corner? Please refer to the attached image.

Thanks.

8652 Marking.jpg

ラベル(1)
タグ(2)
0 件の賞賛
返信
1 解決策
1,759件の閲覧回数
TomasVaverka
NXP TechSupport
NXP TechSupport

Hi Pedro,

Yes, pin 1 is in the top left corner:

Pin Connections.JPG.jpg


Square pad for pin 1, rounded pad for the other pins:

Pin Connections_1.JPG.jpg



Regards,

Tomas


PS: If my answer helps to solve your question, please mark it as "Correct" or “Helpful”. Thank you.

元の投稿で解決策を見る

0 件の賞賛
返信
2 返答(返信)
1,760件の閲覧回数
TomasVaverka
NXP TechSupport
NXP TechSupport

Hi Pedro,

Yes, pin 1 is in the top left corner:

Pin Connections.JPG.jpg


Square pad for pin 1, rounded pad for the other pins:

Pin Connections_1.JPG.jpg



Regards,

Tomas


PS: If my answer helps to solve your question, please mark it as "Correct" or “Helpful”. Thank you.

0 件の賞賛
返信
1,759件の閲覧回数
petrus6432
Contributor II

Thanks Tomas, one less thing to doubt.

0 件の賞賛
返信