Ever wondered about the pin styles for pressure sensors in their data sheets? Well then here are some useful notes.
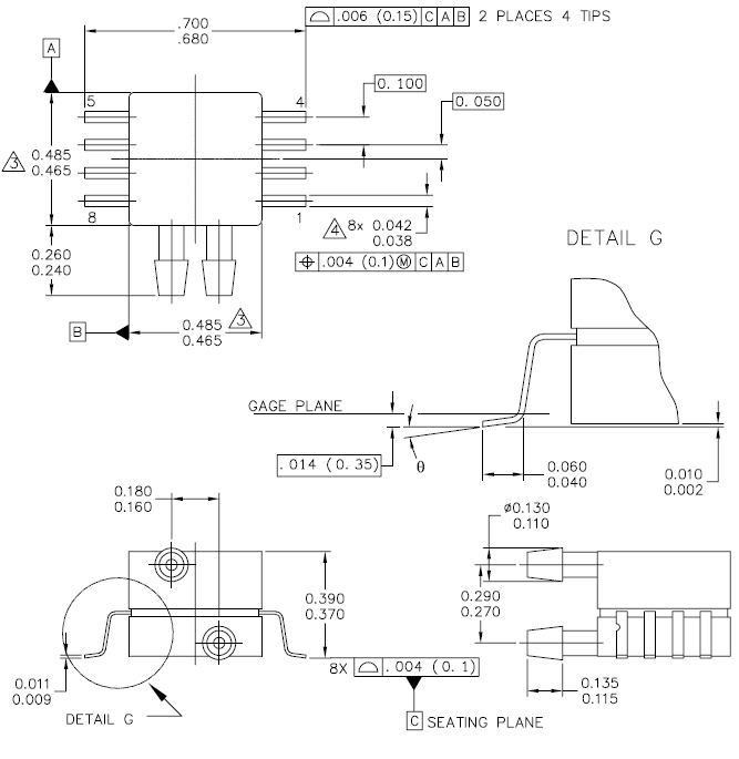
The difference between style 1 and style 2 in the package dimensions is due to the two main families of pressure sensors Freescale offers.
Style 1 is usually applicable for all MPXx10, MPXx53 and MPXx2000-series SOP Type package pressure sensors featuring differential outputs.
Style 2 is applicable for all MPXx4000-series, MPXx5000-series, MPXx6000-series, MPXx7000-series integrated devices in surface mount packages featuring single ended outputs.
E.g. for MPXV7002DP case no. 1351-01 SMALL OUTLINE PACKAGE

