3D STEP model: SSOP Axial Port Package 1317A

cancel
Showing results for 
Show  only  | Search instead for 
Did you mean: 

3D STEP model: SSOP Axial Port Package 1317A

3D STEP model: SSOP Axial Port Package 1317A

SSOP_1317A_01.JPG.jpg

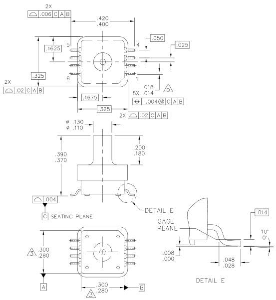
Super Small Outline Package (SSOP) Case no. 1317A and 1317A-04

SSOP package offering robust media protection and small footprint.

SSOP_1317A_02.JPG.jpg

Labels (1)
Tags (3)
Attachments
No ratings
Version history
Last update:
‎12-10-2013 06:23 AM
Updated by: