S32K312 flexcan example not running on Power reset

cancel
Showing results for 
Show  only  | Search instead for 
Did you mean: 

S32K312 flexcan example not running on Power reset

Jump to solution
3,323 Views
Adrish
Contributor II

We want to send CAN messages periodically. I am using the FlexCAN example for RTD 3.0.0. Additionally, i have configured a PIT timer so that I call the Flexcan_send periodically.

The code is building and running fine, but when I do a power reset on the board, the messages only come for a few seconds and then the code gets hanged.

I am using the S32K312 board with RTD 3.0.0.

Need support. 

Attaching the example code for reference. 

1 Solution
3,243 Views
PetrS
NXP TechSupport
NXP TechSupport

Hi,

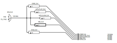
just set divider to /2

PetrS_0-1707295917588.png

BR, Petr

View solution in original post

6 Replies
3,290 Views
PetrS
NXP TechSupport
NXP TechSupport

Hi,

setting HSE_clk to 60MHz would work.

PetrS_0-1707226501034.png

BR, Petr

3,261 Views
Adrish
Contributor II

Hi @PetrS 

Can you please explain how to set this clock at 60 MHz. At present I see it set at 120 MHz. 

I tried to change the frequency using the graphical tool inside the IDE but it showed me an error. 

I'm using s32ds3.5

0 Kudos
Reply
3,244 Views
PetrS
NXP TechSupport
NXP TechSupport

Hi,

just set divider to /2

PetrS_0-1707295917588.png

BR, Petr

3,138 Views
Adrish
Contributor II

Hi @PetrS . I tried the solution you suggested. It seemed to work initially but again the same issue was faced numerous times. After some investigation we found that the watchdog was enabled by default. Disabling the watchdog seemed to have fixed the issue completely.

Thank you for your support.

0 Kudos
Reply
3,284 Views
Akhil1
Contributor I

Hello @PetrS ,

Thanks...Its worked for me!!!

0 Kudos
Reply
3,304 Views
Akhil1
Contributor I

I am also facing the same issue with 3.0.0 version, but I think it will work for 2.0.3

If you find any solution with 3.0.0 version...let me know.

0 Kudos
Reply