S32K312 EVK power issue

cancel
Showing results for 
Show  only  | Search instead for 
Did you mean: 

S32K312 EVK power issue

1,566 Views
ajnas-c
Contributor I

Hi,

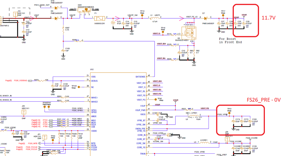
We are using a S32k312 EVK for our development, Today suddenly the device is not responding when we are powered up the device. We are checked the all the voltages in the board, only the input supply is coming the PMIC(FS26) outputs are LOW (0V). The PMIC input is coming properly but the outputs not.

Any solution?

0 Kudos
Reply
4 Replies

1,550 Views
Daniel-Aguirre
NXP TechSupport
NXP TechSupport

Hi,

Before stating that the EVK was damaged, could you provide us the resistance between TP51 and GND? Should not be close to 0.

If the resistance is close to 0, could be that a capacitor was shorted hence causing the 0 V on the output.

Please, let us know.

0 Kudos
Reply

1,545 Views
ajnas-c
Contributor I
Hi,
We are getting 22k between TP51 and GND.
0 Kudos
Reply

1,515 Views
Daniel-Aguirre
NXP TechSupport
NXP TechSupport

Using an Oscilloscope, can you measure the following signal:

- VPRE_SW

Could you provide the memory read-out of your PMIC? To see what is flashed on the part.

Please, let us know.

 

0 Kudos
Reply

1,562 Views
ajnas-c
Contributor I

This is the readings we are getting

image.png

0 Kudos
Reply