Hello @ssean,
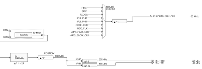
The ClockReferencePoint is configured in the MCU driver:


By the way, there is no clock option with CORE_CLK = 60MHz (RM, Section 24.7.2 System clocking configurations).
We recommend using one of the clock options.
At least the ratios between the clocks must be set to one of the clock options.

Regards,
Daniel