can initialize:
PINS_DRV_SetMuxModeSel(PORTC, ePIN_17, PORT_MUX_ALT3);
PINS_DRV_SetMuxModeSel(PORTC, ePIN_16, PORT_MUX_ALT3);
CAN_Init(&can3_pal_instance, &can3_pal_Config0);
CanSetRate(canNum, rate);
/* Configure Rx message buffer with index 1 to receive frames with ID 2 */
CAN_ConfigRxBuff(&can3_pal_instance, eCAN2_RX_BOX, &RcvInfo, RX_MSG_ID);
Send function:
/* Configure TX buffer with index TX_MAILBOX*/
CAN_ConfigTxBuff(&can3_pal_instance, eCAN2_TX_BOX, &buffCfg);
status = CAN_Send(&can3_pal_instance, eCAN2_TX_BOX, &sendMsg);
Receive function:
/* Start receiving data in RX_MAILBOX. */
CAN_Receive(&can1_pal_instance, eCAN0_RX_BOX, &canRxMsg);
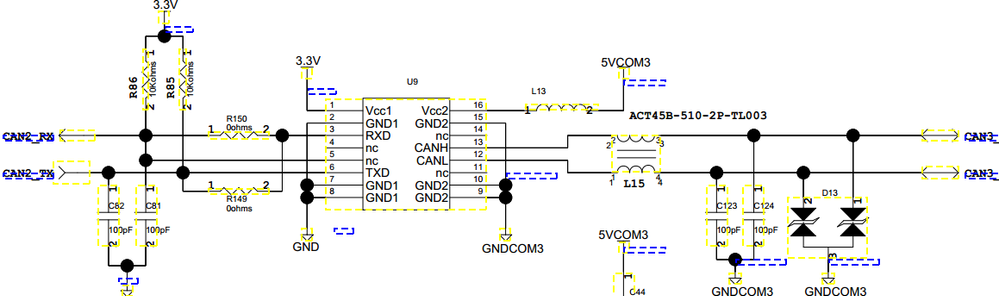
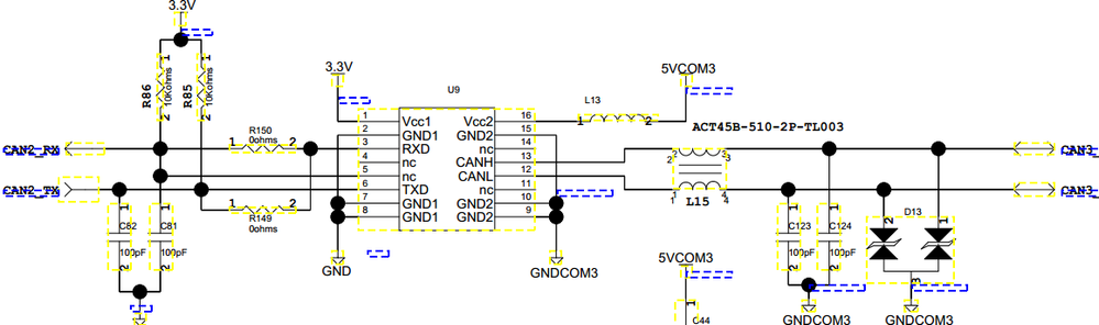
My hardware is:


hello SDK:
when I use CAN_h\CAN_l frequently, the program always enters "DefaultISR", or CAN receive buffer cannot enter "FLEXCAN_MB_IDLE", which is always busy.Therefore, the original CAN was sent normally, but now CAN CAN no longer restore the original sending state.Can can resume working only through software reset or power-on reset.Why is that?How to solve this problem?