How to change core clock frequency of S32K144

cancel
Showing results for 
Show  only  | Search instead for 
Did you mean: 

How to change core clock frequency of S32K144

4,504 Views
arvindupadhyay
Contributor II

Hi friends,

 

How to change  core clock frequency of S32K144 in the range of 50 to 100MHz, I am trying to change but other modules clocks are affecting .I need 96MHz  core clock frequency of S32K144 for RTOS . If anyone knows please let me know.

 

Regards,

Arvind.

Labels (1)
Tags (1)
4 Replies

3,339 Views
Andre_b
Contributor II

Hi

Anyone knows how to set the clock SPLL for using ADC by 50MHz?

Thank you so much

0 Kudos
Reply

3,518 Views
PetrS
NXP TechSupport
NXP TechSupport

Hi Arvind,

you can try this code to put MCU into HSRUN mode with PLL set to 96MHz

void clk_init(void)
{
    /* System clock initialization */

   /* SOSC Configuration */

    /* 8 MHz crystal */
    SCG->SOSCDIV = 0x00010101u; /* SCG_SOSCDIV: SOSCDIV3=1, SOSCDIV2=1, SOSCDIV1=1 */
    SCG->SOSCCFG = 0x00000034u; /* SCG_SOSCCFG: RANGE=3, EREFS=1 */
    while(SCG->SOSCCSR & 0x00800000u);
    SCG->SOSCCSR= 0x5u;         /* SCG_SOSCCSR: SOSCLPEN=1, SOSCEN=1 */
    while(!(SCG->SOSCCSR & 0x01000000u));

    /* SPLL Configuration 96 MHz */
    SCG->SPLLDIV = 0x00010101u; /* SCG_SPLLDIV: SPLLDIV3=1, SPLLDIV2=1, SPLLDIV1=1 */
    /* PREDIV = 0     8 MHz / 1 = 8 MHz */
    /* MULT   = 8     8 MHz / 1 * 24 = 192 MHz VCO */
    /* SOURCE = 0     system OSC (8 MHz) */
    SCG->SPLLCFG = 0x00080000;
    while(SCG->SPLLCSR & 0x00800000u);
    SCG->SPLLCSR=0x01;          /* SCG_SPLLCSR: SPLLEN=1 */
    while(!(SCG->SPLLCSR & 0x01000000u));

    /* configure  HSRUN mode */
    /* DIVCORE = 0;  CORE_CLK = 96 MHz */
    /* DIVPLAT = 0;   SYS_CLK = 96 MHz */
    /* DIVBUS  = 1;  BUS_CLK = 48 MHz */
    /* DIVSLOW = 3;  FLASH_CLK = 24 MHz */
    /* SCS = 6;      pll clock source */
    SCG->HCCR = 0x06000013;

    SMC->PMPROT = 0x80;    /* Allow high speed run */
    SMC->PMCTRL = 0x60;    /* Switch to high speed run */
    while(!(SMC->PMSTAT & 0x00000080u));
}

BR, Petr

0 Kudos
Reply

3,518 Views
muhammadimranaf
Contributor II

Hi Petr,

From above code I couldn't understand how you have calculated clock of 96MHz.

    /* SPLL Configuration 96 MHz */
    SCG->SPLLDIV = 0x00010101u; /* SCG_SPLLDIV: SPLLDIV3=1, SPLLDIV2=1, SPLLDIV1=1 */
    /* PREDIV = 0     8 MHz / 1 = 8 MHz */
    /* MULT   = 8     8 MHz / 1 * 24 = 192 MHz VCO */
    /* SOURCE = 0     system OSC (8 MHz) */
    SCG->SPLLCFG = 0x00080000;
    while(SCG->SPLLCSR & 0x00800000u);
    SCG->SPLLCSR=0x01;          /* SCG_SPLLCSR: SPLLEN=1 */
    while(!(SCG->SPLLCSR & 0x01000000u));

Actually I am trying to set system clock to 64Mhz and I couldn't get this code snippet. can you please explain abit.

Regards,

0 Kudos
Reply

3,518 Views
cheukeichoy
Contributor II

Hi Afzal,

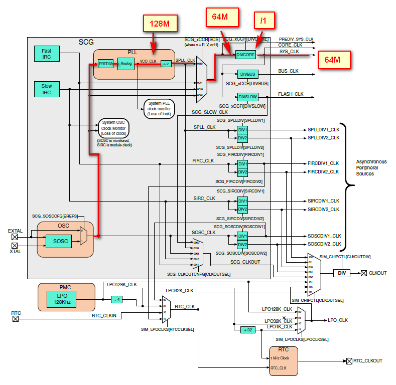
   The clock path you need is below.

pastedImage_1.png

according to the descrition of the System PLL Configuration Register,you shoud be setting the MULT to 0, and setting PERDIV to 0.

so, you can try this code snippet. I hope I can help you.

    /* SPLL Configuration 64 MHz */
    SCG->SPLLDIV = 0x00010101u; /* SCG_SPLLDIV: SPLLDIV3=1, SPLLDIV2=1, SPLLDIV1=1 */
    /* PREDIV = 0     8 MHz / 1 = 8 MHz */
    /* MULT   = 0     8 MHz / 1 * (0+16) = 128 MHz VCO */
    /* SOURCE = 0     system OSC (8 MHz) */
    SCG->SPLLCFG = 0x00000000;
    while(SCG->SPLLCSR & 0x00800000u);
    SCG->SPLLCSR=0x01;          /* SCG_SPLLCSR: SPLLEN=1 */
    while(!(SCG->SPLLCSR & 0x01000000u));

pastedImage_2.png

   Regards,

   Cheukei