FlexRay test of S32G-VNP-RDB2

cancel
Showing results for 
Show  only  | Search instead for 
Did you mean: 

FlexRay test of S32G-VNP-RDB2

Jump to solution
3,476 Views
Wanyj
Contributor I

    I am testing the functionality of FlexRay using the FlexRay test of S32G-VNP-RDB2. I am using the sample program (Flexray_ExternalCommunication_node1_S32G274A_M7). It loops around pocState = Flexray_Ip_GetCurrentState(INST_FLEXRAY_0) while I debug; Medium. I wonder if this sample program or development board can test FlexRay.

    And if I want to use LLCE_FlexRay how do I test using S32G-VNP-RDB2,I hope someone can answer that. Thank you very much!

Wanyj_0-1700113906087.png

 

0 Kudos
Reply
1 Solution
3,317 Views
Daniel-Aguirre
NXP TechSupport
NXP TechSupport

Hi,

You should be able to modify the clock values to be inside the expected ranges:

DanielAguirre_0-1700674959272.png

DanielAguirre_1-1700674976911.png

As for the debug console error, this might be related to a debugger problem. Could be that the debugger is trying to access non-valid memory. 

Please, let us know.

View solution in original post

0 Kudos
Reply
9 Replies
3,454 Views
Daniel-Aguirre
NXP TechSupport
NXP TechSupport

Hi,

Which RTD/LLCE version are you using? How much nodes do you have on your FlexRay configuration?

As for LLCE-FR examples, we have the following information:

"FlexRay could not be tested on RBD2, the hardware did not connect to PHY.

Has been tested on S32G2 EVB, the function of flexray is ok."

Please, let us know.

0 Kudos
Reply
3,446 Views
Wanyj
Contributor I

Hi,

I am using the S32G_LLCE_1_0_5 and I only have the RDB2 development board.

Can't he be used for tests? Because I saw the port of LLCE_FR on his schematic,Looks like he should have all the way to LLCE FR.I want to know if I only have RDB2, how do I test it using the two ports shown here

Hope you can answer my doubts. Thank you very much.

Wanyj_0-1700184324104.png

Wanyj_1-1700184356679.png

 

0 Kudos
Reply
3,432 Views
Daniel-Aguirre
NXP TechSupport
NXP TechSupport

Hi,

FlexRay requires a minimum of 2 nodes to be able to be a valid network. Similar to CANBus, you cannot have a 1 node network, it will issue an Error (unless using internal loopback features).

As for RDB2, we understand that they have the available HW, but the example was not built for RDB2, but for EVB, as shown under the description.txt file:

DanielAguirre_0-1700245020205.png

That is why the comment "FlexRay could not be tested on RBD2, the hardware did not connect to PHY". If we see under the RDB2 schematic, the pins do not correspond with the example.

Please, let us know.

0 Kudos
Reply
3,401 Views
Wanyj
Contributor I
Hi, First of all thank you for your answer.Because the schematic diagram shows that RDB2's S32G274A chip has an "LLCE_FlexRay" interface connected to the transceiver TJA1081,I wonder if it is possible to use the LLCE_FlexRay port to send and receive FlexRay bus data by changing the port of the sample code,Or there's another way. Please, let me know.Thank you very much.
0 Kudos
Reply
3,377 Views
Daniel-Aguirre
NXP TechSupport
NXP TechSupport

Hi,

As for what it is available, there should be an FR example under the LLCE installation directory:

"C:\nxp\S32G_LLCE_1_0_5\plugins\eclipse\plugins\Fr_43_LLCE_TS_T40D11M10I5R0\examples\S32DS\S32G2"

Which should provide LLCE examples for FR. Still, those examples were verified with EVB platform.

You should be able to remap the pins, but you still require a 2nd node. Under RDB2, we understand that there is only 1 FR node.

Please, let us know.

0 Kudos
Reply
3,360 Views
Wanyj
Contributor I

Hi,

I know what you mean,Unfortunately, this sample code does not compile,His mistake is shown here,Also attached is my S32DS version.

Wanyj_0-1700559585545.png

Wanyj_1-1700559644594.png

I don't understand what went wrong. I didn't change any configuration. Did my software not match? Looking forward to your reply, thank you.

 
0 Kudos
Reply
3,344 Views
Daniel-Aguirre
NXP TechSupport
NXP TechSupport

Hi,

The errors you are showing seem to refer to a PATH not available. Can you confirm that the following PATH exists?

DanielAguirre_0-1700591127635.png

We understand that under your project, the folder does exist, but seems to be related to the project looking in another PATH, instead of your workplace. 

Is this happening with another example?

Please, let us know.

0 Kudos
Reply
3,324 Views
Wanyj
Contributor I

Hi,

Thanks for your reminding, now the project can compile successfully, but there is a new problem when I Debug.

Wanyj_1-1700635103157.png

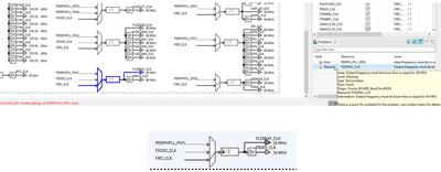
I'm using a single step, and when I run the figure function, the program has an error and can't continue down.There was also a problem with his clock configuration (but the compilation didn't go wrong).

Wanyj_2-1700635248004.png

I don't understand what these two errors are. Do I need to change the default configuration? I look forward to your reply, thank you.

I put my project in the attachment, please check

0 Kudos
Reply
3,318 Views
Daniel-Aguirre
NXP TechSupport
NXP TechSupport

Hi,

You should be able to modify the clock values to be inside the expected ranges:

DanielAguirre_0-1700674959272.png

DanielAguirre_1-1700674976911.png

As for the debug console error, this might be related to a debugger problem. Could be that the debugger is trying to access non-valid memory. 

Please, let us know.

0 Kudos
Reply