Use S32K148 EVB with external osc

cancel
Showing results for 
Show  only  | Search instead for 
Did you mean: 

Use S32K148 EVB with external osc

2,491 Views
christofhaiding
Contributor IV

Hi!

I would like to use the external OSC on the S32K148 as Main Clock instead of the Fast IRC.

But this external OSC is 8 Mhz instead of 48 MHz.

Is there a way to expand this to 48 MHz (over a PLL or some other means) for use as main clock?

 

Best regard

 

Christof Haidinger

Labels (1)
Tags (2)
0 Kudos
Reply
5 Replies

2,480 Views
Senlent
NXP TechSupport
NXP TechSupport

Hi@christofhaiding

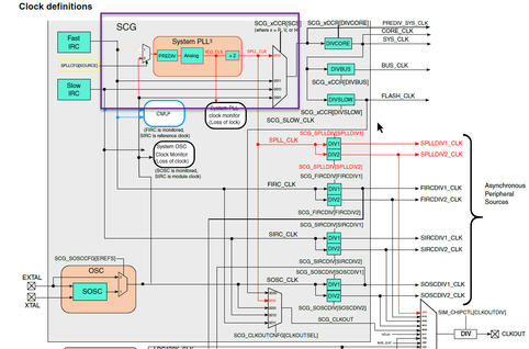
yes,you can set the PLL parameters to achieve what you want,

Senlent_0-1649215300518.png

BR!

     Jim,

 

0 Kudos
Reply

2,476 Views
christofhaiding
Contributor IV

Hi!

Can you give me an example how to do so?

Regards

 

Christof

0 Kudos
Reply

2,473 Views
Senlent
NXP TechSupport
NXP TechSupport

Hi@christofhaiding

There are many routines in S32K DS,and most of them which are clocked by SOSC/OSC.you can change these routines by following ways.

Senlent_1-1649229928377.png

Can you tell me your specific requirements? For example, to set the clock source and frequency of some modules?

 

 

 

 

0 Kudos
Reply

2,416 Views
christofhaiding
Contributor IV

Hi!

Sry, for the long time until the reply.

At the moment, we are using the FAST IRC as main clock source with 48Mhz.

And we want to exchange this with the external OSC.

And all the modules according to that.

Regards

Christof

0 Kudos
Reply

2,408 Views
Senlent
NXP TechSupport
NXP TechSupport

Hi@christofhaiding

As I said in my previous answer, you can refer to the routine to modify your code. If you still have questions, send me a private message.

BR!

      Jim,

0 Kudos
Reply