
Hello
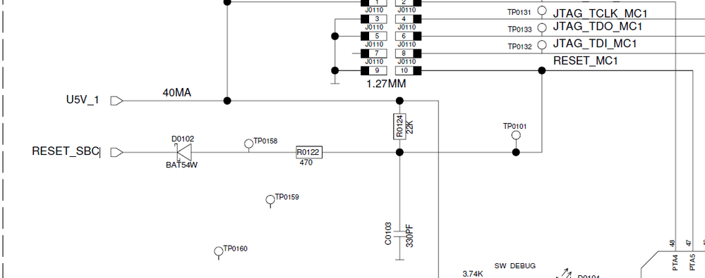
As above, the circuit is the reset circuit, when the R0124(22k) is replaced by a small resistance, for example R22. and use power supply, and connect Multi Link, click debug button, everything become normal, I could debug, download code, but when I send a hard rest diagnostic command, the MCU couldn't reset, because the pin reset couldn't be pulled down to low level.
I have tried many times. Now I don't know how to try, could you give me any advice?