Dear NXP Enginner:
In our project, the NXP MCU S912ZVLA64F0MLF is used;
At present stage, the EMC CE test failed,as below, the failure frequencies are between the range of 31.8~35.8Mhz, and 96.2Mhz point;

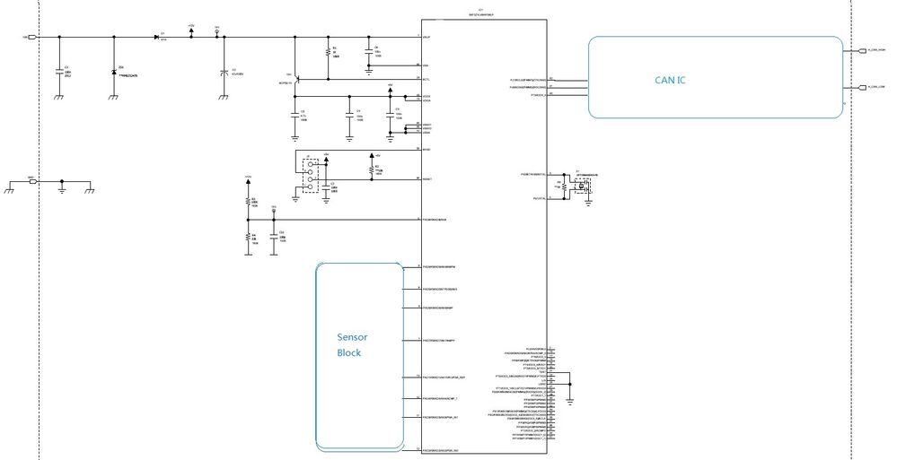
We checked our design(circuit&programm) carefully, while no source of upper frequency points were found.There are just MCU,SENSOR and CAN phy ,sensor and can phy just work in 500~900Khz frequence.schematic as below:

One doubt way is:
The DC regulator is internally intergated in the MCU (S912ZVLA64F0MLF) ;
Wheather the upper relate frequency are generated from the internal Regulator Block?
Besides,any other possible source of the relate frequency?
It is urgent ,Could you help me ?thanks!