#ls1043ardb EVB DDR output clock

キャンセル
次の結果を表示 
表示  限定  | 次の代わりに検索 
もしかして: 

#ls1043ardb EVB DDR output clock

653件の閲覧回数
jiminli
Contributor I

Dear team,

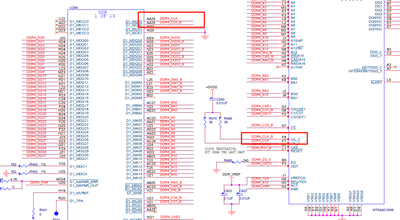
 we use ls1043ardb to evaluate HW and SW things on DDR peripheral as spec DDR Bringing up and validation with QCVS DDRv instrution.

But there is no DDR_CLK output,is the phenomenon right? 

jiminli_0-1702974985527.png

Thanks,

jimin.li

 

0 件の賞賛
返信
1 返信

584件の閲覧回数
yipingwang
NXP TechSupport
NXP TechSupport

Please refer to the attachment.

0 件の賞賛
返信