T2081 NOR flash addition

キャンセル
次の結果を表示 
表示  限定  | 次の代わりに検索 
もしかして: 

T2081 NOR flash addition

17,638件の閲覧回数
hemanttiwari199
Contributor III

Hi,

I want to add NOR Flash(Mt28fw02gbba1hpc-0AAT) in code warrior. While I was following the process to add the flash but I am not able to get following details from the datasheet. Please help me to get those details in order to add the flash in code warrior flash programmer.

Number of sectors:

Starting and ending address for each sector:

Options for data width:

 

Attaching the datasheet for reference.

Regards

Hemant 

0 件の賞賛
返信
12 返答(返信)

17,632件の閲覧回数
yipingwang
NXP TechSupport
NXP TechSupport

Please refer to document C:\Freescale\CW_PA_v10.5.1\PA\PA_Tools\FlashToolKit\Documentation\AppNote-FlashProgrammer-PowerArchitecture.pdf for details.

0 件の賞賛
返信

17,622件の閲覧回数
hemanttiwari199
Contributor III

Hi Yipingwang,

Thanks for the response.

I was trying to add NAND flash device on my custom T2081 board. 

I have followed the instructions suggested by you such as updating xml file as per our part number used, configuring IFC memory registers but i am unable to connect with NAND Flash.

Please find the attached datasheet and let me know what can be the device ID as i am unable to decode it from the datasheet.

Also, please verify the attached updated XML file for MT29F64G08AECABH1-10ITZ:A TR.

 

Regards

Hemant 

0 件の賞賛
返信

17,595件の閲覧回数
yipingwang
NXP TechSupport
NXP TechSupport

You could use NAND flash MT29F16G08 in CodeWarrior device list to do flash programing.

0 件の賞賛
返信

17,591件の閲覧回数
hemanttiwari199
Contributor III

Hi yipingwang,

thanks for the prompt response. I will definitely going to try this.

By the mean time, I have tried flashing with the new added NAND flash, but got device protection error. Can you tell how I can avoid it? Please check the logs attached with this.

Regards
Hemant

hemanttiwari199_0-1632469290599.png

 

0 件の賞賛
返信

17,590件の閲覧回数
yipingwang
NXP TechSupport
NXP TechSupport

In "Add Program/Verify Action" panel, please check "Apply Address Offset" and specify Address at "0x0", please check "Restrict to Addresses in this Range" and specify Start at "0x0", End at "1FFFFFFF".

NAND flash is not memory map device, you need to specify offset address in CW IDE.

0 件の賞賛
返信

17,256件の閲覧回数
hemanttiwari199
Contributor III

Hi, I am able to read the device ID, perform diagnostic of the NAND Flash used in the custom design. 

Here are the logs when I am doing Erase and blank check option.

fl::target -lc "13sep-core00_SRAM_T2081_Download"
fl::target -b 0x0 0x30000
fl::target -v off -l off
cmdwin::fl::device -d "MT29F16G08ABACA-IFC" -o "2048Mx8x1" -a 0x0 0x7fffffff
cmdwin::fl::device -sd all
cmdwin::fl::device -se 30 31 32 33
cmdwin::fl::erase list
 Beginning Operation ...    
------------------------- 
Performing target initialization ...    
 Downloading Flash Device Driver ...   
 Reading flash ID ...
Erasing Sector 0x00F00000 to 0x00F7FFFF   
Erasing Sector 0x00F80000 to 0x00FFFFFF   
Erasing Sector 0x01000000 to 0x0107FFFF   
Erasing Sector 0x01080000 to 0x010FFFFF   
 Erasing ...
 Erase Command Succeeded    
cmdwin::fl::device -sd all
cmdwin::fl::device -se 30 31 32 33
cmdwin::fl::blankcheck list
------------------------- 
 Downloading Flash Utility Driver ...   
Performing Blank Check from 0x00F00000 to 0x010FFFFF ...    
 Blank Checking ......
1048576 Failures found.   
Non Blank Found at 0x00F00000 expected: FF actual: 00   
Non Blank Found at 0x00F00001 expected: FF actual: 00   
Non Blank Found at 0x00F00002 expected: FF actual: 00   
Non Blank Found at 0x00F00003 expected: FF actual: 00   
Non Blank Found at 0x00F00004 expected: FF actual: 00   
Non Blank Found at 0x00F00005 expected: FF actual: 00   
Non Blank Found at 0x00F00006 expected: FF actual: 00   
Non Blank Found at 0x00F00007 expected: FF actual: 00   
Non Blank Found at 0x00F00008 expected: FF actual: 00   
Non Blank Found at 0x00F00009 expected: FF actual: 00   
Non Blank Found at 0x00F0000A expected: FF actual: 00   
Non Blank Found at 0x00F0000B expected: FF actual: 00   
Error:  Blank Check failed.
 
Error: Blank Check failed.

what are the possible reason of getting Blank check failed and how to get rid of it?

Regards

Hemant 

0 件の賞賛
返信

17,239件の閲覧回数
yipingwang
NXP TechSupport
NXP TechSupport

Please refer to the following document to verify IFC timing setting section in CodeWarrior initialization file.

https://community.nxp.com/t5/Layerscape-Knowledge-Base/IFC-Controller-Configuration-on-QorIQ-Custom-...

 

0 件の賞賛
返信

17,586件の閲覧回数
hemanttiwari199
Contributor III

We are specified  Start at "0x0", End at "1FFFFFFF". Please check the below logs that we are getting. Please help us to resolve the issue of device protection error.

 

fl::target -lc "13sep-core00_SRAM_T2081_Download"
fl::target -b 0x2000 0x30000
fl::target -v off -l off
cmdwin::fl::device -d "MT29F64G08AECABH1-IFC" -o "8192Mx8x1" -a 0x0 0x1ffffffff
cmdwin::fl::image -f "C:\\Users\\imohammed\\Downloads\\rcw_aa_1533MHz.bin" -t "Auto Detect" -re on -r 0xff800000 0xff8fffff -oe on -o 0xff800000
cmdwin::fl::erase image
Beginning Operation ...
-------------------------
Auto-detection is successful.
File is of type Binary/Raw Format.

Performing target initialization ...
Downloading Flash Device Driver ...
Reading flash ID ...
Erasing Sector 0xFF800000 to 0xFF8FFFFF
Erasing ...
Erase Command Succeeded
cmdwin::fl::write
Beginning Operation ...
-------------------------
Using restricted address range 0xFF800000 to 0xFF8FFFFF
Programming file C:\Users\imohammed\Downloads\rcw_aa_1533MHz.bin
Auto-detection is successful.
File is of type Binary/Raw Format.

Downloading Flash Device Driver ...
Reading flash ID ...
Auto-detection is successful.
File is of type Binary/Raw Format.

Downloading 0x00000050 bytes to be programmed at 0xFF800000
Executing program ....
Error: Program failed. Flash driver reports the following error(s): Device Protection Error
Error: Program failed. Flash driver reports the following error(s): Device Protection Error

0 件の賞賛
返信

17,581件の閲覧回数
yipingwang
NXP TechSupport
NXP TechSupport

Please refer to the configuration in the attached screenshot.

0 件の賞賛
返信

17,577件の閲覧回数
hemanttiwari199
Contributor III

Hi, 

I have tried both the part number for NAND Flash. Buy changing the part number i am not able to read the device ID.

Below are the logs I am getting by changing the part number.

fl::target -lc "13sep-core00_SRAM_T2081_Download"
fl::target -b 0x2000 0x30000
fl::target -v off -l off
cmdwin::fl::device -d "MT29F16G08ABACA-IFC" -o "2048Mx8x1" -a 0x0 0x7fffffff
cmdwin::fl::image -f "C:\\Users\\imohammed\\Downloads\\rcw_aa_1533MHz.bin" -t "Auto Detect" -re on -r 0x0 0x1fffffff -oe on -o 0x0
cmdwin::fl::erase image
Beginning Operation ...
-------------------------
Auto-detection is successful.
File is of type Binary/Raw Format.

Performing target initialization ...
Downloading Flash Device Driver ...
Reading flash ID .......
Error: The algorithm was not able to run on the target or the flash is not configured properly.
Error: Getting flash ID failed
Error: The algorithm was not able to run on the target or the flash is not configured properly.
fl::target -lc "13sep-core00_SRAM_T2081_Download"
fl::target -b 0x2000 0x30000
fl::target -v off -l off
cmdwin::fl::device -d "MT29F4G08ABBDA-IFC" -o "512Mx8x1" -a 0x0 0x1fffffff
cmdwin::fl::image -f "C:\\Users\\imohammed\\Downloads\\rcw_aa_1533MHz.bin" -t "Auto Detect" -re on -r 0x0 0x1fffffff -oe on -o 0x0
cmdwin::fl::erase image
Beginning Operation ...
-------------------------
Auto-detection is successful.
File is of type Binary/Raw Format.

Performing target initialization ...
Downloading Flash Device Driver ...
Reading flash ID .......
Error: The algorithm was not able to run on the target or the flash is not configured properly.
Error: Getting flash ID failed
Error: The algorithm was not able to run on the target or the flash is not configured properly.

タグ(1)
0 件の賞賛
返信

17,527件の閲覧回数
yipingwang
NXP TechSupport
NXP TechSupport

Please check the proper hardware problem.

Please specify proper clock for IFC modules

0 件の賞賛
返信

17,523件の閲覧回数
hemanttiwari199
Contributor III

Hi

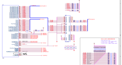
Its a custom T2081 board without CPLD. So from where I can get the IFC Clock Details or i have derived the same from the datasheet.

For your reference I am attaching IFC interface diagram.

hemanttiwari199_0-1632806415770.png

 

Regards

Hemant

0 件の賞賛
返信