T2081 JTAG Testing

cancel
Showing results for 
Show  only  | Search instead for 
Did you mean: 

T2081 JTAG Testing

26,886 Views
hemanttiwari199
Contributor III

Dear All,

We have designed customize T2081 based SBC. Now we want to check whether the JTAG in our board is working or not using code warrior?

Can you please provide step by step guidelines or any document to check the working of our custom board JTAG using code warrior?

Regards

Hemant

 

Tags (4)
0 Kudos
Reply
22 Replies

26,329 Views
ufedor
NXP Employee
NXP Employee

26,286 Views
hemanttiwari199
Contributor III

Hi,

Thanks for the response. Now, we are able to fetch the information using JTAG Referring your article.

Attaching the image for the reference.

But now, when we try to upload the code for basic but getting the error "Failed to correctly configure the jtag chain". Attaching the log for the you reference.

Please help to resolve the issue.

Regards

Hemant

0 Kudos
Reply

26,283 Views
ufedor
NXP Employee
NXP Employee

Please refer to the QorIQ T2080 Reference Manual, Figure 4-1. Power-on reset sequence and capture a digital scope trace for the reset signals on your board.

0 Kudos
Reply

26,273 Views
hemanttiwari199
Contributor III

Hi,

Thanks for the prompt response. We have captured the reset sequence suggested by you.

We observed that, our HRESET Signal is not able to maintain its High state.

Can you tell what might be the possible reason for that?

Attaching the image for you reference.

Regards

Hemant

0 Kudos
Reply

26,284 Views
ufedor
NXP Employee
NXP Employee

1) HRESET_B must not be driven by an external source.

2) Which cfg_rcw_src is selected?

What are POR voltages on {IFC_AD[8:15], IFC_CLE}?

0 Kudos
Reply

26,281 Views
hemanttiwari199
Contributor III

1) HRESET_B must not be driven by an external source.

---> It is Driven by 1.8V present in the system

2) Which cfg_rcw_src is selected?

--->We have selected Hard-code RCW i.e. 010011011

What are POR voltages on {IFC_AD[8:15], IFC_CLE}?

--->All the IFC_AD[8:15], IFC_CLE are connected to 1.8V.

 

Attaching the reset circuit for review.

0 Kudos
Reply

26,277 Views
ufedor
NXP Employee
NXP Employee

Please provide processor connection schematics as PDF.

Use a digital scope and measure POR voltages on {IFC_AD[8:15], IFC_CLE} - what are they?

 

0 Kudos
Reply

26,276 Views
hemanttiwari199
Contributor III

Hi,

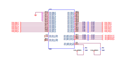
Attaching the schematic of our design. Also can we boot without having HRESET signal present in the board?

Also attaching the image captured in oscilloscope measuring  {IFC_AD[8:15], IFC_CLE}.

Regards

Hemant.

0 Kudos
Reply

26,272 Views
ufedor
NXP Employee
NXP Employee

HRESET_B must be driven by open-drain gate - refer to the AN4804 - QorIQ T2080 Design Checklist, Figure 3. JTAG interface connection, note 7.

It is not clear how to interpret provided traces because they do not contain PORESET_B signal.

1) Is the schematics page 8 accurate and the cfg_rcw_src really is strapped to 0_10011011?

The 0_10011011 is not documented in the QorIQ T2080 Reference Manual, Table 4-15. Hard-Coded RCW Options.

 

2) Which SerDes reference clocks are applied?

Refer to the QorIQ T2080 Reference Manual, Table 4-16. RCW Settings for Hard-Coded RCW Options:

SRDS_PLL_REF_CLK_SEL_S1

SRDS_PLL_REF_CLK_SEL_S2

0 Kudos
Reply

26,267 Views
hemanttiwari199
Contributor III

1) Is the schematics page 8 accurate and the cfg_rcw_src really is strapped to 0_10011011?

The 0_10011011 is not documented in the QorIQ T2080 Reference Manual, Table 4-15. Hard-Coded RCW Options.

--> We have referred QorIQ T2080 Reference Design Board Quick Start. Refer page page-9

hemanttiwari199_0-1630570146160.png

 

2) Which SerDes reference clocks are applied?

--> Is it a software setting or we have to do in our custom board. Regarding clock circuit we have used sysclk as 66.66Mhz and DDR CLK as 133.33Mhz.

Also, without doing hardcode and make NOR Flash as a primary boot can we flash the basic SRAM code as we have fixed sysclock as 66.66Mhz and DDR CLK as 133.33Mhz as recommended in the T2080 reference design.

0 Kudos
Reply

26,262 Views
ufedor
NXP Employee
NXP Employee

1) New designs must be implemented referring the latest revisions of the documents.

2) The request was about SerDes reference clocks.

0 Kudos
Reply

26,257 Views
hemanttiwari199
Contributor III

Please find the Serdes Clock from our board. Please verify whether it is correct or not.

hemanttiwari199_0-1630576668280.png

 

Also, Can you tell me the modification that we can do in the schematic shared with you previously to make it work.

0 Kudos
Reply

26,250 Views
ufedor
NXP Employee
NXP Employee

Required modifications:

1) disconnect U187[7] from the processor

2) RESET_REQ_B connection is incorrect.

RESET_REQ_B must be connected so, that if it is asserted, then resulting PORESET_B assertion duration must be not less than 1 ms. Consider that RESET_REQ_B is deasserted within several SYSCLKs after PORESET_B assertion is detected.

During bring-up it is recommended to disconnect U223[2] from processor's RESET_REQ_B and pull-up resistor.

3) supported hard-coded RCW options, SYSCLK and DDRCLK frequencies are provided in the QorIQ T2080 Reference Manual, Table 4-15. Hard-Coded RCW Options.

0 Kudos
Reply

26,249 Views
hemanttiwari199
Contributor III

thankyou for the inputs. I have made the changes according your suggestion.

Just need to confirm below points:

hemanttiwari199_1-1630588239452.png

In the above image I am getting two option for Hard-coded RCW (0x8C) or (0x8F). Which one I have to select for my T2081 custom board? 

In T2080RM, I have selected below hardcore option 0_100110x (where x is denoted by 0). Here the frequency of both sysclk and ddrclk is 66.66Mhz where in the tool (refer above image) frequency are different. Can you clear the confusion? What frequency I have to select for proper testing?

hemanttiwari199_2-1630588291442.png

 

0 Kudos
Reply

26,240 Views
ufedor
NXP Employee
NXP Employee

PBL Tool is out-of-date.

Please refer to the RM.

0 Kudos
Reply

26,229 Views
hemanttiwari199
Contributor III

If PBL TOOL IS OUT OF DATE, THEN AFTER DOING THE MODIFICATIONS HOW I AM GOING TO FLASH MY CUSTOM BOARD WITH HARDCORE RCW?

0 Kudos
Reply

26,225 Views
ufedor
NXP Employee
NXP Employee

You understanding is incorrect.

A hard-coded RCW option is selected by cfg_rcw_src pins - refer to the QorIQ T2080 Reference Manual, 4.6.3.1 Reset configuration word (RCW) source.

0 Kudos
Reply

26,218 Views
hemanttiwari199
Contributor III

1)Please find the attached schematic after the modification suggested by you. Please verify the same.

2)Now as per my understanding in order to boot we are just using POREST as we disconnected HRESET and reset_req. Please correct me if I am wrong.

Because as per T2080RM Figure 4-1. Power-on reset sequence we require all the sequence which we have omitted from the design. Please clarify the doubt

3)If this was a case, then how I am able to boot using code warrior and able to access SRAM of T2081? If any steps are there, kindly share with us. 

0 Kudos
Reply

26,207 Views
ufedor
NXP Employee
NXP Employee

> we require all the sequence which we have omitted from the design

What exactly do you mean?

Consider that HRESET_B is driven by the processor during POR sequence.

 

> how I am able to boot using code warrior and able to access SRAM of T2081?

Please use CodeWarrior Flash Programmer and program valid RCW corresponding to your application into the boot Flash.

Consider that cfg_rcw_src strapping must be adjusted accordingly to the selected boot Flash.

0 Kudos
Reply

26,204 Views
hemanttiwari199
Contributor III

Consider that HRESET_B is driven by the processor during POR sequence.

--> it means the modification which I made in the attached schematic suggested by you are correct. Please verify the same. 

Please use CodeWarrior Flash Programmer and program valid RCW corresponding to your application into the boot Flash.

Consider that cfg_rcw_src strapping must be adjusted accordingly to the selected boot Flash.

-->With hardcoding RCW option, What is the procedure to flash internal SRAM of T2081? (Note we are not using NOR and NAND for primary flash).

0 Kudos
Reply